Kodu > Tooted > Polt > Süvistatud polt > Lamedat loenduri madal ruudu kaelapolt
        Lamedat loenduri madal ruudu kaelapolt
        • Lamedat loenduri madal ruudu kaelapoltLamedat loenduri madal ruudu kaelapolt
        • Lamedat loenduri madal ruudu kaelapoltLamedat loenduri madal ruudu kaelapolt
        • Lamedat loenduri madal ruudu kaelapoltLamedat loenduri madal ruudu kaelapolt

        Lamedat loenduri madal ruudu kaelapolt

        Xiaoguo® toodetud lamedate loendiga madala ruuduga kaelapolt on tugev ja vastupidav. Meie toote kvaliteet on tagatud. Saame polte kohandada vastavalt teie konkreetsetele vajadustele. Peate pakkuma ainult tootejooniseid või toodete mõõtmeid ja materjale jne.
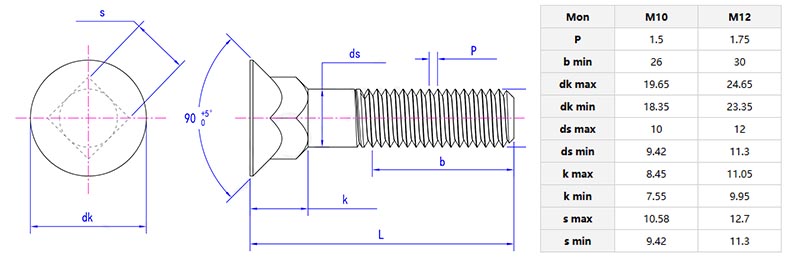
        Mudel:DIN 608-1981

        Saada päring

        Tootekirjeldus

        Pea peaLamedat loenduri madal ruudu kaelapolton tasane ja võib pinna tasaseks muuta materjali täielikult manustada. Ruudukujuline kaelaosa on suhteliselt madal, umbes pool tavalise ruudukujulise kaela kõrgusest ja sisestatakse pöörlemise vältimiseks materjali ruudukujulistesse aukudesse.

        Flat countersunk low square neck bolt

        Toote üksikasjad

        Polti saab kasutada puidust tekkide kindlustamiseks laevadel. Saate neid kasutada tiikgu teki fikseerimiseks terasest raami külge, mille pea on puitu täielikult manustatud, et vältida komistamist. Polt on lukustatud terasraami auku, et vältida pöörlemist teki alt pingutamisel. See võib takistada kallist puidust kahjustamist ja luua sujuva ja ohutu kõndimispinna, mis ei taba köie.


        SelleLamedat loenduri madal ruudu kaelapoltsuudab kinnitada raskete kivimüroode metalliraamidele. Poltid saab täielikult manustada eelpurskega kivisoonedesse ja täielikult peidetud. Ruudukujulised kaelapoldid saab raami soontesse sisestada. See mitte ainult ei saa kanda kivi raskust, vaid hoida ka välimust korralikult ega lõdvene hoone pikaajalise liikumise tõttu.

        Tooteparameetrid


        Flat countersunk low square neck bolt

        Tootefunktsioon

        SelleLamedat loenduri madal ruudu kaelapolton lühem kui tavaline ruudukujuline kael ja sobib õhukeste materjalide kasutamiseks. Näiteks õhukestest metalllehtedest valmistatud jaotuskasti paigaldamisel saab madala ruudukujulise kaela sisestada lehe ruudukujulisse aukudesse, erinevalt tavalisest ruudukujulisest kaelast, mis võib lehte tungida ja mõjutada tagaküljel olevat juhtmestikku. Autode siseosade paigaldamisel saavad nad ruumi kokku hoida.


        Kuumad sildid: Lameda loenduriga madala ruudu kaelapolt, Hiina, tootja, tarnija, tehas
        Seotud kategooria
        Saada päring
        Palun esitage oma päring allolevas vormis. Vastame teile 24 tunni jooksul.
        X
        Kasutame küpsiseid, et pakkuda teile paremat sirvimiskogemust, analüüsida saidi liiklust ja isikupärastada sisu. Seda saiti kasutades nõustute meie küpsiste kasutamisega. Privaatsuspoliitika
        Keeldu Nõustu