Kodu > Tooted > Polt > T-polt > T pea ankrukruvid
        T pea ankrukruvid
        • T pea ankrukruvidT pea ankrukruvid
        • T pea ankrukruvidT pea ankrukruvid
        • T pea ankrukruvidT pea ankrukruvid

        T pea ankrukruvid

        XiaoGuo® Company toodetud kvaliteetseid T peaankrukruvisid saate igal ajal kontrollida. T-kujuline pea abil on ankurdamisse soone paigaldamine lihtne. Saame teile pakkuda mitmesuguseid suurusi, mille vahel valida. Teile sobib alati kruvi.
        Mudel:CNS 4947-1979

        Saada päring

        Tootekirjeldus

        T pea ankrukruvid on kinnitusdetailid, mida kasutatakse ankru fikseerimiseks, T-kujuline pea abil on ankurdamisse soonesse paigaldamine lihtne paigaldada.Xiaoguo®võib pakkuda teile mitmesuguseid suurusi, mille vahel valida. Teile sobib alati kruvi.

        T-pea ankrukruvi pea on t kujuga, mis on mugav kinnitada vastavasse T-kujulise soone, et see ei pöörle pingutamisel mööda. Kruvi saba on spetsiaalselt konstrueeritud nii, et see oleks aluses kindlalt kinnitatud nagu ankur.

        Installimine ja rakendus:

        Neid ankrukruvisid saab kasutada kõrgendatud uste radade kinnitamiseks. Need on paigaldatud kiiremini kui poldid. Libistage need kõrgendatud terasest soontesse ilma kinnitusriistadeta. Lao paigaldamisel saab seda ühe käega pingutada ja redeli abil tasakaalustada. Neid kasutatakse raskete radade parandamiseks.

        T pea ankrukruvisid saab kasutada HVAC torutugedena. Torude riputamine betoonile võib neid mitu tundi kokku hoida. Sisestage see Unitrutisse ja koputage see kokkupõrkekruvikeerajaga lakke. Juhtiavasid pole vaja. Üks töötaja saab lõpule viia kahe kiilukujulise ankru paigaldamise.

        Neid kruvisid kasutatakse kaevanduskonveieri raami kinnitamiseks. Neid kasutatakse maa -aluste tugevate raamide poldi fikseerimiseks ja need võivad tolmule vastu seista. Haamri t-kujuline pea kõverdatud kanalisse; Niidid võivad haaratud terasest haarata. Töötajad muudavad komponendid vahetustega iga 15 minuti tagant.

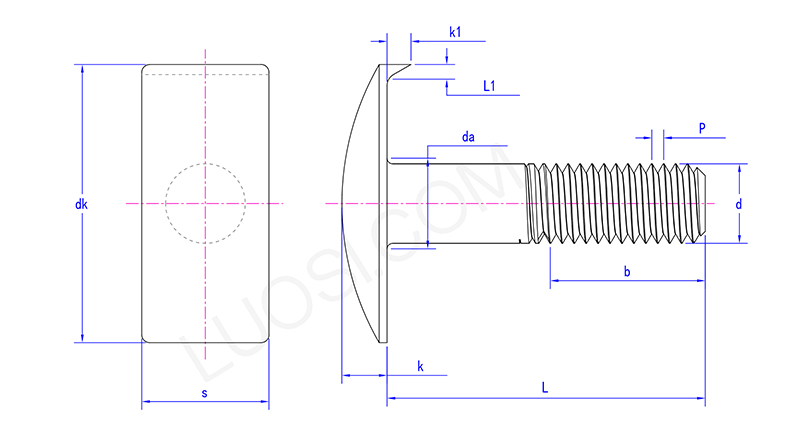
        Parameetrid:

        Esmaspäev M12
        P 1.75
        k 7
        k1 5
        L1 3
        Jah Max 15.2
        dk 55
        s 20

        Toote müügipunkt:

        T -peaankrukruvid on fikseerimisel eriti stabiilsed ja paigaldamiseks mugav. Sellel on kaks peamist omadust: T-kujuline pea ja ankurdusfunktsioon. Installimisel saab selle otse T-pilu sisestada ilma korduva asendi reguleerimise vajaduseta. Ankrukonstruktsioon hoiab selle aluses tihedamalt ja tihedamalt ning takistab selle lõdvenemist. Ja keerulisi professionaalseid tööriistu pole vaja. Lisaks on sellel lai valik rakendusi ja seda saab kasutada paljudes tööstusharudes ja stsenaariumides.



        Kuumad sildid: T pea ankrukruvid, Hiina, tootja, tarnija, tehas
        Seotud kategooria
        Saada päring
        Palun esitage oma päring allolevas vormis. Vastame teile 24 tunni jooksul.
        X
        Kasutame küpsiseid, et pakkuda teile paremat sirvimiskogemust, analüüsida saidi liiklust ja isikupärastada sisu. Seda saiti kasutades nõustute meie küpsiste kasutamisega. Privaatsuspoliitika
        Keeldu Nõustu