Kodu > Tooted > Kruvi > Muud kruvid > 12-punktiline äärikupolt
        12-punktiline äärikupolt
        • 12-punktiline äärikupolt12-punktiline äärikupolt

        12-punktiline äärikupolt

        Xiaoguo® 12-punktilise äärikupoldi alumisel pinnal on mitu hammast, mis suurendavad hõõrdumist, takistavad lõdvenemist ja takistavad vibratsiooni. Pakume kohandatud 12-punktilist äärikupolti, mis vastab erinevatele standarditele ja projektinõuetele.

        Saada päring

        Tootekirjeldus

        Selle 12-punktilise äärikupoldi kasutamine on üsna lihtne ja enamiku tavaliste tööde jaoks pole teil vaja eritööriistu. Esmalt joondage eelnevalt puuritud augud osadele, mida soovite ühendada, ja veenduge, et kõik oleks tasane ja ilma tühikuteta. Lükake kinnitus otse läbi aukude, nii et 12-punktiline pea jääks väljapoole, et saaksite selle hõlpsalt kätte saada. Kasutage selle pingutamiseks 12-punktilist mutrivõtit, mis vastab pea suurusele; proovige mitte kasutada reguleeritavaid mutrivõtmeid, kuna need võivad libiseda ja pead kahjustada. Pöörake seda aeglaselt päripäeva, et avaldada ühtlast survet, ja peatuge, kui see on pingul – ärge pingutage üle, sest see võib rikkuda niidid või painutada ääriku alust. Sisseehitatud äärik töötab nagu seib, nii et te ei pea enamasti lisasid lisama. Parimate tulemuste saamiseks kasutage seda puhastel tasastel pindadel ja kontrollige enne paigaldamise alustamist, et niidid pole kahjustatud. See lihtne protsess sobib masinate kokkupanekuks, autoremondiks ja üldehitustöödeks.


        Toote pinnatöötlus

        See 12-punktiline äärikpolt on lihtsa pinnatöötlusega, et see kestaks kauem ja taluks igapäevast kasutamist. Levinuim viimistlus on tsinkimine, mis katab terasele õhukese kaitsekihi, et aeglustada roostet ja korrosiooni tavalistes töötingimustes. Teine standardne valik on must oksiid, mis pakub kerget korrosioonikindlust ja sileda, matti pinda, mis sobib hästi sise- või kaetud välistingimustes kasutamiseks. Need katted kantakse ühtlaselt üle kogu kinnitusvahendi, sealhulgas niidid ja ääriku alus, et tagada kaitse järjepidevus. Me ei kasuta uhkeid ega pakse katteid, vaid praktilisi viimistlusi, mis vastavad põhilistele tööstuslikele vajadustele ning peavad vastu tavakasutuse, vibratsiooni ja vähese niiskuse korral. Pind on sile, ilma karedate laikude või ebaühtlaste kihtideta, nii et see läheb kergesti sisse, ilma aukudesse kinni jäämata või muid osi kriimustamata. Need hooldused on testitud nii, et need kestavad igapäevaseks kasutamiseks, ilma et need liiga kiiresti puruneksid või kooriksid.

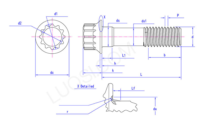
        Esmasp M5 M6 M8 M10 M12 M14 M16 M20
        P 0.8 1 1.25 1.5 1.75 2 2 2.5
        ds max 5 6 8 10 12 14 16 20
        ds min 4.82 5.82 7.78 9.78 11.73 13.73 15.73 19.67
        alalisvoolu max 9.4 11.3 15 18.6 22.8 26.4 30.3 37.4
        h min 1.7 2.1 2.7 3.4 4.1 4.8 5.7 7.2
        k max 5 6 8 10 12 14 16 20
        d1 max 5.86 7.02 9.37 11.7 14.04 16.29 18.71 23.4
        d1 min 5.71 6.82 9.17 11.5 13.84 16.06 18.48 23.17
        d2 max 5.22 6.26 8.34 10.42 12.5 14.59 16.66 20.83
        d2 min 5.07 6.06 8.14 10.22 12.3 14.36 16.43 20.6
        da max 6.1 7.4 10.1 12.5 15.7 18.1 20.5 26.1
        Lf max 1.4 1.6 2.1 2.1 2.1 2.1 3.2 4.2
        r max 0.25 0.29 0.36 0.45 0.54 0.63 0.72 0.9
        r min 0.1 0.12 0.16 0.2 0.24 0.28 0.32 0.4
        ds1 max 4.54 5.39 7.26 9.08 10.95 12.77 14.77 18.49
        ds1 min 4.36 5.21 7.04 8.86 10.68 12.5 14.5 18.16
        L1 max 3.5 4 5 6 7 8 9 11
        L1 min 2.5 3 4 5 6 7 8 10


        Q&A seanss

        Milliseid pinnatöötlusmeetodeid saate 12-punktilise äärikupoldi jaoks pakkuda, et suurendada nende korrosioonikindlust?

        Pakume erinevaid pinnaviimistlusi, mis sobivad erinevate keskkondadega. Valikud hõlmavad tsinkimist (kollane/selge), musta oksiidi ja kuumtsinkimist. Tsingimine pakub põhikaitset kuiva sisekasutuse korral, kuumtsinkimine aga sobib välis- ja meretingimustesse, et vältida rooste ja korrosiooni tekkimist.


        Kuumad sildid: 12-punktiline äärikupolt, Hiina, tootja, tarnija, tehas
        Seotud kategooria
        Saada päring
        Palun esitage oma päring allolevas vormis. Vastame teile 24 tunni jooksul.
        X
        Kasutame küpsiseid, et pakkuda teile paremat sirvimiskogemust, analüüsida saidi liiklust ja isikupärastada sisu. Seda saiti kasutades nõustute meie küpsiste kasutamisega. Privaatsuspoliitika
        Keeldu Nõustu