Kõrge tugevuse näotprojektsiooni keevituspolt on spetsiaalne kinnitus, mis on valmistatud tugevalt ja hõlpsasti metalllehtede või konstruktsioonidega. Sellel on prognoosid - tavaliselt rõngad või väikesed konarused - küljele, mis metalli puudutab, ja need on valmistatud täpsetele suurustele.
Kui keevitate selle, keskendub palju elektrivoolu nendele projektsioonidele. See muudab sealse metalli kuumaks, sulama ja siis jahtumisel moodustab see tugeva keevisõmbluse. See keevisõmblus hoiab tihedat näotprojektsiooni keevitamise polti tihedalt töötava tüki külge.
Kõrge tugeva näo projektsiooni keevitamise Bolti peamine töö on püsiva, keermepõhise kinnituspunkti loomine, mis mahutab kaalu. Selle keevitamiseks vajate spetsiaalseid projektsiooni keevitusi.
Elektroodid suruvad alla ja saadavad palju elektrit läbi poldi projektsioonide ja metallitüki, millega töötate. Keevituspoldi valmistamise viis tähendab ainult projektsioone sulamist - mitte midagi. Jahtudes moodustavad nad tugeva metallsideme ja selle ümber oleva metalli ei saa palju painutada ega väänata.
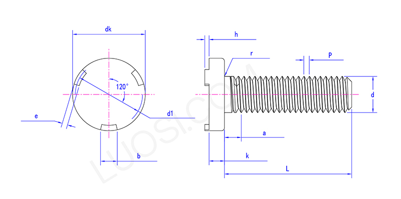
| Esmaspäev | M5 | M6 | M8 | M10 |
| P | 0.8 | 1 | 1.25 | 5 |
| DK Max | 12.4 | 14.4 | 16.4 | 20.4 |
| DK min | 11.6 | 13.6 | 15.6 | 19.6 |
| k Max | 2 | 2.2 | 3.2 | 4.2 |
| K min | 1.6 | 1.8 | 3.2 | 4.2 |
| jmaksimaalne | 2.25 | 2.75 | 2.25 | 2.75 |
| E min | 1.75 | 2.25 | 1.75 | 2.25 |
| B max | 3.3 | 4.3 | 5.3 | 6.3 |
| B min | 2.7 | 3.7 | 4.7 | 5.7 |
| H Max | 0.8 | 0.9 | 1.1 | 1.3 |
| H min | 0.6 | 0.75 | 0.9 | 1.1 |
| D1 max | 10 | 11.5 | 14 | 17.5 |
| D1 min | 9 | 10.5 | 13 | 16.5 |
| R min | 0.2 | 0.25 | 0.4 | 0.4 |
| r Max | 0.6 | 0.7 | 0.9 | 1.2 |
| maksimaalne | 3.2 | 4 | 5 | 5 |

Kõrge tugevusega näo projektsiooni keevituspoldil on vähe tõstetud osi - tavaliselt rõngaid või väikeseid mõlke - see külg, mis keevitatakse. Kui keevitate selle, keskendub palju elektrit tõstetud osadele. Nad sulavad kohe vastu metalli, samal ajal kui elektrood surub alla.
See muudab tugevad, tihedad keevisõmblused, mis hoiavad polti hästi. Need töötavad suurepäraselt lehtmetalli tööde jaoks.