Kodu > Tooted > Pähkel > Käsikruvi mutter > Must nikeldatud rullmutter
        Must nikeldatud rullmutter
        • Must nikeldatud rullmutterMust nikeldatud rullmutter
        • Must nikeldatud rullmutterMust nikeldatud rullmutter

        Must nikeldatud rullmutter

        Hankige otse vastupidavad musta nikeldatud rullmutri komponendid. Hiina juhtiva musta nikeldatud rullmutritehasena toodab XIAO GUO tsirkuleerivate kuullaagritega mutreid, mis tagavad minimaalse hõõrdumise, pika eluea ja suure kandevõime.

        Saada päring

        Tootekirjeldus

        Levinuim valik on süsinikterasest valmistatud must nikeldatud valtsmutter. See on piisavalt tugev tavalisteks lehtmetallitöödeks, nagu mööbli kokkupanek või väikeste seadmete remont. Enamikul süsinikterasest on rooste eemal hoidmiseks tsingitud, mis sobib hästi kasutamiseks siseruumides või kaetud välitingimustes.

        Niiske keskkonna või välistingimustes kasutamiseks on roostevaba teras parem valik. See talub niiskust ja korrosiooni isegi ranniku lähedal asuvates kergelt soolastes piirkondades. Meil on ka alumiiniumist versioone kergete vajaduste jaoks – kasutatakse enamasti elektroonikas, kus rasked osad võivad seadme jõudlust mõjutada.

        Kõik materjalid vastavad tööstusharu põhistandarditele, ilma täiendavate tarbetute töötlusteta. Valige igapäevasteks töödeks süsinikteras, märgade kohtade jaoks roostevaba teras ja kergete tööde jaoks alumiinium. Black Nickel Plating Rolling Mutri materjalivalikud katavad kõige levinumad montaaživajadused, ilma uhkete lisadeta, vaid praktilised valikud.


        Toote pinnatöötlus

        Tsingimine on kõige levinum variant. See on põhiprotsess, mis aitab vältida roostetamist, sobib kasutamiseks siseruumides või kaetud välistingimustes. See ei lisa paksust, nii et see ei mõjuta seda, kuidas mutter paigaldamise ajal pleki auku sobib. Selle raviga on kaasas enamik igapäevaselt kasutatavaid pähkleid.

        Parema korrosioonikindluse tagamiseks on olemas kuumtsinkimine. See on paksem kui tavaline tsinkimine, nii et see peab kauem vastu niisketes kohtades või vähese niiskusega kohtades, näiteks ranniku lähedal asuvates töökodades. Roostevabast terasest mutrite puhul teostame passiveerimistöötlust – see lihtsalt suurendab nende loomulikku roostekindlust ilma välimust muutmata.

        Siin pole uhkeid katteid, vaid praktilised. Valige standardvajaduste jaoks tsinkimine, niiske keskkonna jaoks kuumtsinkimine ja roostevabast terasest mudelite passiveerimine. Black Nickel Plating Rolling Nut'i pinnatöötlus on seotud põhikaitsega, mis sobib kõige levinumate lehtmetalli kokkupaneku stsenaariumidega.

        Black Nickel Plating Rolling Nut

        Küsimuste ja vastuste seanss

        K: Kas ma saan selle installida ilma professionaalsete tööriistadeta?

        V: Ei, vajate tavalist pressimistööriista või väikest neetimismasinat. Käsitsi vasardamine pole soovitatav; see kahjustab mutri keermeid või muudab selle lahti. Väikeste partiide puhul töötab käeshoitav käsitsi pressimistööriist. Suurte tellimuste puhul on automaatne pressmasin efektiivsem. Samuti saame soovitada meie toodetele sobivaid tööriistamudeleid, kui teil seda õiget veel pole.  

        Black Nickel Plating Rolling Nut



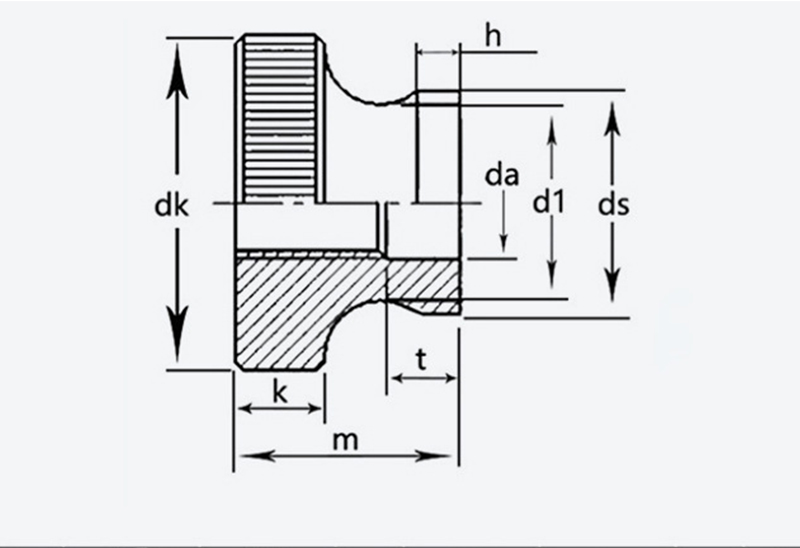
        suurus Pitch Välisläbimõõt Kõrgus k ds da d1 T h
        max min max min max min max min max
        M3 0.5  11  10.7  6.64  2.8  5.7  3.5  3.2  5.2  1.2 
        M4 0.7  12  11.7  7.64  7.64  4.5  4.2  6.4  2.5  1.5 
        M5 0.8  16  15.7  10  96,6  10  9.64  5.5  5.5 
        M6 20  19.7  12  11.6  12  11.6  6.56  6.2  11  2.5 
        M8 1.25  24  23.7  16  15.6  16  15.6  8.86  8.5  13 
        M10 1.5 30 29.7 20 19.5 8 20 19.5 10.9 10.5 17.2 6.5 3.8
        Kuumad sildid: Must nikeldatud rullmutter, Hiina, tootja, tarnija, tehas
        Seotud kategooria
        Saada päring
        Palun esitage oma päring allolevas vormis. Vastame teile 24 tunni jooksul.
        X
        Kasutame küpsiseid, et pakkuda teile paremat sirvimiskogemust, analüüsida saidi liiklust ja isikupärastada sisu. Seda saiti kasutades nõustute meie küpsiste kasutamisega. Privaatsuspoliitika
        Keeldu Nõustu