Kodu > Tooted > Neetimisosad > Neetlikud pähklid ja kruvid > Vangistuses olevad kinnitusdetailid
      Vangistuses olevad kinnitusdetailid
      • Vangistuses olevad kinnitusdetailidVangistuses olevad kinnitusdetailid
      • Vangistuses olevad kinnitusdetailidVangistuses olevad kinnitusdetailid
      • Vangistuses olevad kinnitusdetailidVangistuses olevad kinnitusdetailid

      Vangistuses olevad kinnitusdetailid

      Vangistuses olevad kinnitusdetailid on vastupidavad, hõlpsasti paigaldatavad ja sobivad keerukate elektrooniliste keskkondade jaoks. Silindriline kuju võib komponente toetada ja nurisev muster takistab neil maha kukkumist. Xiaoguo® Factory pakub mitmesuguseid spetsifikatsioone ja suurusi ning sellel on piisavalt varusid.
      Mudel:QIB/IND KFB3

      Saada päring

      Tootekirjeldus

      Vangistuses oleva kinnitusdetailide väljaheitmine on valmistatud erinevatest materjalidest, erineva rakenduse stsenaariumide ja omadustega. Kerge teras (näiteks 1008 või 1010) pakub odavaid ja suure tugevuse; Roostevaba teras (näiteks 303 või 304) on rooste- ja korrosioonikindel ning sobib kasutamiseks niisketes keskkondades; ja alumiiniumsulam (näiteks 6061) on juhtiv ja kerge. Õige materjali valimine nõuab tugevuse, kaalu, juhtivuse, korrosioonikindluse ja kulutõhususe põhjalikku kaalumist, mis on kohandatud rakenduse stsenaariumile, asukohale ja nõuetele.

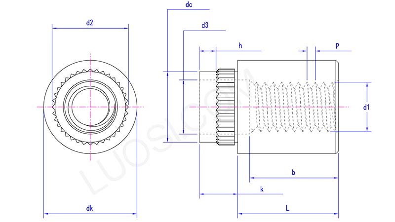
      Captive fastener broaching standoffs parameter

      Esmaspäev
      440 632
      P
      40 32
      B max
      0.391 0.391
      B min
      0.359 0.359
      D1
      #4 #6
      D2 min
      0.176 0.223
      D2 Max
      0.182 0.229
      D3 Max Max
      0.125 0.174
      min
      0.119 0.168
      DC MAX
      0.165 0.212
      DK Max
      0.222 0.283
      Dk min
      0.216 0.277
      h Max
      0.05 0.05
      H min
      0.03 0.03
      k Max
      0.09 0.09

      Paigaldama

      Vangistuses olevad kinnitusdetailid paigaldatakse üsna tõhusalt.

      Spetsiaalsete pneumaatiliste, hüdrauliliste või servlektriliste neetimismasinate kasutamine on nende panemine kiire ja järjekindel. Teil on vaja juurdepääsu ainult PCB naastudelt.

      See ühepoolne protsess muudab monteerimisliini kujundamise ja automatiseerimise lihtsamaks.

      Nende naastudega enne paigaldamist on lihtne, neid tarnitakse tavaliselt lahtiselt või rullides, mis töötab automatiseeritud söötmissüsteemidega.

      Kõrge temperatuuri või soojutsükli keskkonnas

      Vangistuses olevad kinnitusdetailid on valmistatud, et püsida karmes keskkonnas stabiilsena.

      Roostevabast terasest saavad siin hästi hakkama, tavaliselt saavad nad temperatuuridega hakkama vahemikus -50 ° C kuni üle 200 ° C.

      Mehaaniline neetimine loob tiheda ühenduse, mis ei ole kütte- ja jahutustsüklite ajal nii palju lahti, võrreldes selliste asjadega nagu liimid või joodetud osad.

      Lihtsalt veenduge, et naastu materjal vastaks temperatuuridele, mida teie komplekt näeb ja kui palju see kuumub ja jahtub. Nii jääb see pikka aega usaldusväärseks.

      Kuumad sildid: Vangistuses olevad kinnitusdetailid, Hiina, tootja, tarnija, tehas
      Seotud kategooria
      Saada päring
      Palun esitage oma päring allolevas vormis. Vastame teile 24 tunni jooksul.
      X
      We use cookies to offer you a better browsing experience, analyze site traffic and personalize content. By using this site, you agree to our use of cookies. Privacy Policy
      Reject Accept