Kodu > Tooted > Keevitusmutrid > Keevitatud Mutter > 5. klassi keeviskandilised mutrid tüübiga 1D
        5. klassi keeviskandilised mutrid tüübiga 1D
        • 5. klassi keeviskandilised mutrid tüübiga 1D5. klassi keeviskandilised mutrid tüübiga 1D
        • 5. klassi keeviskandilised mutrid tüübiga 1D5. klassi keeviskandilised mutrid tüübiga 1D
        • 5. klassi keeviskandilised mutrid tüübiga 1D5. klassi keeviskandilised mutrid tüübiga 1D

        5. klassi keeviskandilised mutrid tüübiga 1D

        Klassi 5 keevitatud nelikantmutrid tüübiga 1D vastavad 5. klassi tugevusstandardile. Need on konstrueeritud 1D-tüüpi ja sobivad metallpindade keevitamiseks. Sobib keskmise intensiivsusega masinatele, terasraamidele või tööstusseadmetele. Xiaoguo® tehasel on rohkem kui kümneaastane kogemus kinnitusdetailide tootmises ja teie vajadustele vastavad professionaalsed töötajad.
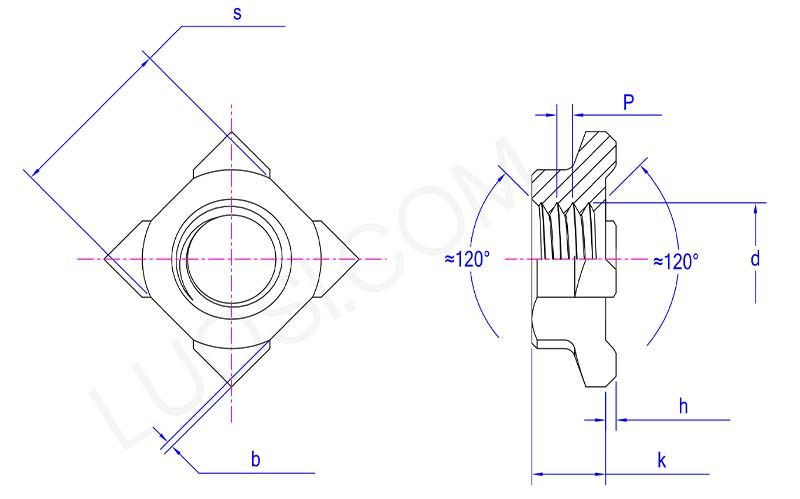
        Mudel:JIS B1196-2-2001

        Saada päring

        Tootekirjeldus

        Klassi 5 keevisõmbluse nelikantmutritel tüübiga 1D on neli lamedat külge. Mutri keskel on standardne keermestatud auk, mida on mugav kasutada sobivate poltidega. Mutri keevituspinnal on mitu väikest eendit, mis on keevitamise võtmeosad.

        Toote eelised

        Klassi 5 keevisõmbluse nelikantmutritel tüübil 1D ei ole nurgelist avakujundust. Selle asemel on põhja kujundatud väike ja kõrgendatud eend. Need on spetsiaalselt ette nähtud takistuspunktkeevituseks. Elektroodid suruvad alla ja vool voolab läbi tõstetud ala. Tõstetud ala sulab koheselt ja sulab mutri selle all oleva metalliga.

        Klassi 5 keevitatud nelikantmutreid tüübiga 1D on lihtne ja kiire keevitada. Joondage seade mutri väikeste eenditega ja rakendage veidi kuumust. Seejärel saab mutri kiiresti keevitada raudplaadi või muude metallist detailide külge. Võrreldes tavaliste mutritega, mille paigaldamiseks on vaja kruvida, säästab see meetod oluliselt aega. Mutter ei pöörle tõenäoliselt kergesti ja selle stabiilsus on palju parem kui ümmarguse mutri oma.

        Üks peamisi eeliseid 1D tüüpi nelikantmutrite ja klassi 5 keevitamisel on keevitusprotsessi järjepidevus. Kuna eendid suudavad täpselt juhtida keevisõmbluse moodustumise asendit, saab automaatne punktkeevitusmasin saavutada igas tsüklis usaldusväärseid tulemusi. Võrreldes käsitsi läbiva augukeevitusega on keevituspüstoli ebaõigest asetusest tingitud keevisõmbluse ebapiisava tugevuse tõenäosus palju väiksem.

        Pärast 5. klassi keevitusmutrite kasutamist tüübiga 1D kontrollige keevisõmbluse tükid. Igas eendis peaksite nägema kindlat sulamispunkti. See peaks näima olevat täielikult alusmaterjaliga sulandunud. Kui eendi kuju on ikka veel nähtav või tundub söestunud/kriimustatud, võib olla vaja reguleerida keevitusseadeid (vool, aeg, rõhk), et saavutada kindel side.

        Toote parameetrid

        Esmasp
        M4 M5 M6 M8 M10 M12
        P
        0.7 0.8 1 1|1,25 1,25|1,5 1,25|1,75
        s max
        8 9 10 12 14 17
        s min
        7.64 8.64 9.64 11.57 13.57 16.57
        k max
        3.2 4 5 6.5 8 10
        k min
        2.9 3.7 4.7 6.14 7.64 9.57
        h max
        1 1 1 1 1 1.2
        h min
        0.8 0.8
        0.8
        0.8
        0.8
        1
        b max
        0.5 0.5 0.5 1 1 1
        b min
        0.3 0.3 0.3 0.5 0.5 0.5

        parameter of Class 5 weld square nuts with type 1D

        Kuumad sildid: Klassi 5 keevitatud nelikantmutrid tüübiga 1D, Hiina, tootja, tarnija, tehas
        Seotud kategooria
        Saada päring
        Palun esitage oma päring allolevas vormis. Vastame teile 24 tunni jooksul.
        X
        Kasutame küpsiseid, et pakkuda teile paremat sirvimiskogemust, analüüsida saidi liiklust ja isikupärastada sisu. Seda saiti kasutades nõustute meie küpsiste kasutamisega. Privaatsuspoliitika
        Keeldu Nõustu