Kodu > Tooted > Keevitusmutrid > Keevitatud Mutter > T-stiilis keevismutrid tüübiga 1A
        T-stiilis keevismutrid tüübiga 1A
        • T-stiilis keevismutrid tüübiga 1AT-stiilis keevismutrid tüübiga 1A
        • T-stiilis keevismutrid tüübiga 1AT-stiilis keevismutrid tüübiga 1A

        T-stiilis keevismutrid tüübiga 1A

        T-stiilis 1A tüüpi keevismutrid on spetsiaalselt ette nähtud metallide keevitamiseks ja vastavad spetsifikatsioonile 1A, tagades tiheda sobivuse. Sobib metallraamidele, tugedele või mehaanilistele seadmetele, T-kujuline disain aitab säästa ruumi. Xiaoguo® tehases on laos suur kogus kaupu. Samuti saame kohandada ja pakkuda tooteid, mis vastavad konkreetsetele vajadustele.
        Mudel:JIS B1196-3.1-2001

        Saada päring

        Tootekirjeldus

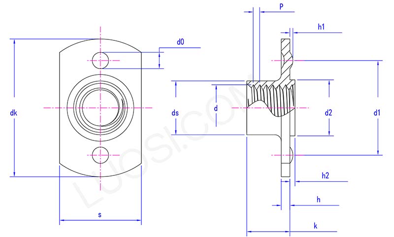
        T-stiilis 1A tüüpi keevismutritel on T-tähte meenutav kuju, mille allosas on keermestatud silindriline osa. Äärikul on mitu väikest eendit, mis on spetsiaalselt ette nähtud keevitamiseks. Levinud keerme spetsifikatsioonid on vahemikus M4 kuni M12.

        Toote parameetrid

        T style weld nuts with type 1A parameter

        Esmasp
        M4 M5 M6 M8 M10 M12
        P
        0.7 0.8 1 1|1,25 1,25|1,5 1,25|1,75
        dk max
        20.5 20.5 23.7 23.7 31 33.2
        dk min
        19.5 19.5 22.3 22.3 29 30.8
        s max
        12.25 12.25 14.3 14.3 19.4 21.5
        s min
        11.75 11.75 13.7 13.7 18.6 20.5
        ds max
        5.9 6.7 8.3 10.2 13.2 15.2
        ds min
        5.4 6.2 7.8 9.5 12.5 14.5
        k max
        5.9 6.9 7.5 9 10.6 11.8
        k min
        5.1 6.1 6.5 8 9.4 10.2
        h max
        1.4 1.4 1.85 1.85 2.3 2.3
        h min
        1 1 1.35 1.35 1.7 1.7
        d2 max
        6.9 6.9 8.9 10.9 12.9 14.9
        d2 min
        6.7
        6.7
        8.7
        10.7
        12.7
        14.7
        h2 max
        0.8 0.8
        0.8
        0.8
        1.2 1.2
        h2 min
        0.6 0.6
        0.6
        0.6
        1 1
        d0 max
        3.25 3.25
        3.25
        3.25
        4.05 4.05
        d0 min
        2.75 2.75
        2.75
        2.75
        3.55 3.55
        h1 max
        0.6 0.6
        0.6
        0.6
        0.7 0.7
        h1 min
        0.4 0.4
        0.4
        0.4
        0.5
        0.5
        d1 max
        15.2 15.2
        17.25 17.25 22.3 24.3
        d1 min
        14.8 14.8 16.75 16.75 21.7 23.7

        Toote omadused ja paigaldus

        T-stiilis 1A tüüpi keevismutritel on iseloomulik T-kujuline struktuur. Äärik võib suurendada kontaktpinda metallplaadiga, jaotada survet ja muuta keevitus turvalisemaks. Ääriku keevituseendite suurus ja kõrgus on samad ning kuumenemine keevitamise ajal ühtlane. Selle keerme täpsus on kõrge. Kui polt on sisse keeratud, tundub see väga sile, ilma kinnikiilumise või lõdvenemiseta.

        T style weld nuts with type 1A

        1A T-tüüpi keevismutrid on saanud nime nende kuju järgi: kuusnurkne mutri korpus on ekstsentriliselt paigaldatud ristkülikukujulisele alusplaadile (äärikule). Tüüp 1A näitab, et see on ette nähtud kaarkeevituseks (MIG või TIG) ümber ääriku serva. T-kujuline disain võimaldab teil asetada keermestatud augud soovitud kohta, isegi serva lähedale, kus keskmutrit ei saa paigaldada, ja seda on lihtne saavutada.

        T-tüüpi 1A tüüpi keevismutrite paigaldamine tähendab keevitamist piki ristkülikukujulise ääriku perifeeriat. 1A tüüpi mutri alus on tasane ja sellel pole auke ega eendeid. Võite kasutada MIG-i või TIG-i, et luua piki ääriku serva pidevaid keevitusribasid. Hea üldine sulandumine on ülioluline, kuna see on ainus viis ääriku kinnitamiseks. Palun puhastage metall eelnevalt põhjalikult.

        1A T tüüpi keevismutrid on kallimad kui tavalisedkandilised pähklid. Peate maksma ääriku töötlemiskuju ja lisamaterjalide eest. Nende õigeks keevitamiseks ääriku ümber kulub ka kauem aega. Eriti kui niidi asendit on vaja nihutada, kasutage neid; muidu võivad tavalised pähklid odavamad olla.

        Kuumad sildid: T-stiilis keevismutrid tüübiga 1A, Hiina, tootja, tarnija, tehas
        Seotud kategooria
        Saada päring
        Palun esitage oma päring allolevas vormis. Vastame teile 24 tunni jooksul.
        X
        Kasutame küpsiseid, et pakkuda teile paremat sirvimiskogemust, analüüsida saidi liiklust ja isikupärastada sisu. Seda saiti kasutades nõustute meie küpsiste kasutamisega. Privaatsuspoliitika
        Keeldu Nõustu