Kodu > Tooted > Nööpnõel > Ümmargune tihvt > CNC-töödeldud klambritihvtid
        CNC-töödeldud klambritihvtid
        • CNC-töödeldud klambritihvtidCNC-töödeldud klambritihvtid
        • CNC-töödeldud klambritihvtidCNC-töödeldud klambritihvtid

        CNC-töödeldud klambritihvtid

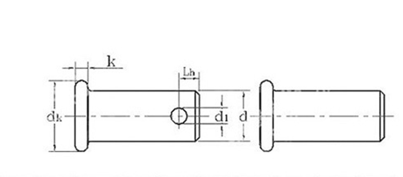
        2. CNC-töödeldud Clevis-tihvtid on ümarate peadega teljetihvtid, mis on kinnitatud tihvtide aukude ja splindide või lukustusmutritega. Neid kasutatakse tavaliselt mehaaniliste komponentide, nagu hoovad ja juhthoovad, ühendamiseks. Xiaoguo CNC-töödeldud Clevise tihvtid on CNC-töödeldud, et tagada suur täpsus ja tugevus, nii et saate osta julgelt.

        Saada päring

        Tootekirjeldus

        Laos on CNC-ga töödeldud klambritihvtid erinevates suurustes, mille läbimõõt on umbes M3–M24 ja pikkus 10–200 mm, nii et need sobivad enamiku standardsete aukudega. Olulised osad, nagu pea suurus ja varre pikkus, on valmistatud nii, et need vastaksid tavalistele spetsifikatsioonidele.

        CNC Machined Clevis Pins

        Erinevate tööde jaoks on meil erinevad palgaastmed. Seal on tavaline hinne igapäevaseks kasutamiseks ja täpsem, kui vajate tihedamat sobivust, näiteks autodes või lennukites. Kõik need on loodud vastavalt tavalistele reeglitele, nagu ISO 2341, nii et saate iga kord sama asja. See tähendab lihtsalt seda, et meie CNC-ga töödeldud klambritihvtid on valmistatud töötama enamiku seadmete standardsete sulgude ja osadega.

        Toote kvaliteedi kontroll

        Teostame nende CNC-ga töödeldud klambritihvtide standardseid kvaliteedikontrolle, et veenduda nende õiges töös. Igaüht neist mõõdetakse selliste asjade nagu läbimõõt, pikkus ja augu paigutus, et veenduda, et suurused on õiged. Samuti testime materjali ennast, et kontrollida, kas see on õiget tüüpi ning piisavalt tugev ja kõva.

        Otsime pinnalt kriimustusi, karedaid servi või muid probleeme, mis võivad olla probleemsed. Kõik tehakse vastavalt tööstusharu levinud reeglitele, nagu ISO 2341. Peame iga partii testide kohta arvestust, et saaksime seda hiljem jälgida.

        Pärast nende kontrollide läbimist sobivad CNC-ga töödeldud klambritihvtid tavapärasteks töödeks või raskemateks rakendusteks, kus need peavad vastu pidama.

        Küsimuste ja vastuste seanss

        K: Millistele standarditele teie CNC-ga töödeldud klambritihvtid vastavad?

        V: Meie standardsed CNC-ga töödeldud klambritihvtid on valmistatud vastavalt sellistele spetsifikatsioonidele nagu ISO 2341 või ANSI B18.8.1. See tagab tihvti läbimõõdu, pea ja ava ühtsed mõõtmed, tagades teie sõlmede usaldusväärse sobivuse ja vahetatavuse.

        CNC Machined Clevis Pins


        ühik: mm
        d max 3 4 5 6 8 10 12 14 16 18 20
        min 2.94 3.925 4.925 5.925 7.91 9.91 11.89 13.89 15.89 17.89 19.87
        dk max 5 6 8 10 12 14 16 18 20 22 25
        min 4.7 5.7 7.64 9.64 11.57 13.57 15.57 17.57 19.48 21.48 24.48
        k nominaalneL 1.5 2 2.5 3 3.5 4
        max 1.625 2.125 2.625 3.125 3.65 4.15
        min 1.375 1.875 2.375 2.875 3.35 3.85
        d1 min 1.6 2 3.2 4 5 5
        max 1.74 2.14 3.38 4.18 5.18 5.18
        Lh min 1.6 2.2 2.9 3.2 3.5 4.5 5.5 6 6 7 8



        Kuumad sildid: CNC-töödeldud Clevis Pins, Hiina, tootja, tarnija, tehas
        Seotud kategooria
        Saada päring
        Palun esitage oma päring allolevas vormis. Vastame teile 24 tunni jooksul.
        X
        Kasutame küpsiseid, et pakkuda teile paremat sirvimiskogemust, analüüsida saidi liiklust ja isikupärastada sisu. Seda saiti kasutades nõustute meie küpsiste kasutamisega. Privaatsuspoliitika
        Keeldu Nõustu