Kodu > Tooted > Nööpnõel > Ümmargune tihvt > Kuum müüa Clevis Pins
        Kuum müüa Clevis Pins
        • Kuum müüa Clevis PinsKuum müüa Clevis Pins
        • Kuum müüa Clevis PinsKuum müüa Clevis Pins

        Kuum müüa Clevis Pins

        Nende disain võimaldab kiiret kokkupanekut ja lahtivõtmist sellistes rakendustes nagu traktori haakeseadmed või uksemehhanismid. Hiinast uusimate Hot Selling Clevis Pins'i hankimine XIAOGUO aitab hoida hooldust tõhusana.

        Saada päring

        Tootekirjeldus

        Meil on nende Hot Selling Clevis Pins jaoks erinevad materjalid, olenevalt sellest, mida vajate. Igapäevaseks tööstuslikuks kasutamiseks on süsinikteras tavaline valik – see on tugev ja kulutõhus. Kui töötate niisketes või söövitavates kohtades, on roostevaba teras, näiteks 304 või 316, paremad, kuna need peavad hästi roostet vastu. Olukordades, kus te ei saa magnetosi kasutada, on valik messing – seda kasutatakse sageli elektri- või täppisseadetes. Kui vajate lisatugevust, näiteks kosmosetöös või suure pingega töödel, on saadaval legeerteras. Kõik meie pakutavad tihvtid vastavad sellistele standarditele nagu ISO 2341, nii et need toimivad usaldusväärselt, olenemata sellest, kas tegemist on üldiste või eritöödega. Me lihtsalt sobitame materjali sellega, mida teie projekt tegelikult vajab.

        Toote pinnatöötlus

        Pakume nendele Hot Selling Clevis Pins'idele erinevaid pinnaviimistlusi, peamiselt selleks, et need kestaksid kauem ja oleksid roostekindlad. Levinud valik on tsinkimine – see annab elementaarse kaitse ja on taskukohane üldistel töödel. Raskemate tingimuste korral õues või vee lähedal rakendab kuumtsinkimine paksema kihi. Roostevabast terasest tihvtid saame passiveerida, et aidata neil paremini korrosioonile vastu seista.

        Muude valikute hulka kuulub must oksiidviimistlus, mis lisab kulumiskindlust ja annab tumeda värvi, mida kasutatakse sageli masinaosadel. Nõudlikumaks kasutuseks, nagu kosmose- või täppisseadmed, on saadaval keemiline nikeldamine – see katab ühtlaselt ja lisab kõvadust.

        Need viimistlused aitavad tihvtidel vastata üldistele tööstusstandarditele, nii et need töötavad kõiges alates igapäevastest seadistustest kuni karmide tingimusteni.

        Küsimuste ja vastuste seanss

        K: Millised on Hot Selling Clevis Pins kõige levinumad rakendused?

        V: Need sobivad ideaalselt turvaliste, eemaldatavate pöörde- ja ühenduspunktide loomiseks. Tavaliselt kasutatakse neid juhtvarraste, hüdrosüsteemide, pukseerimisseadmete ja põllumajandusmasinate puhul, kus tihvti tuleb hõlpsasti sisestada ja tihvti abil kinnitada.

        Hot Selling Clevis Pins


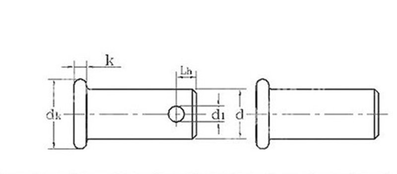
        ühik: mm
        d max 3 4 5 6 8 10 12 14 16 18 20
        min 2.94 3.925 4.925 5.925 7.91 9.91 11.89 13.89 15.89 17.89 19.87
        dk max 5 6 8 10 12 14 16 18 20 22 25
        min 4.7 5.7 7.64 9.64 11.57 13.57 15.57 17.57 19.48 21.48 24.48
        k nominaalneL 1.5 2 2.5 3 3.5 4
        max 1.625 2.125 2.625 3.125 3.65 4.15
        min 1.375 1.875 2.375 2.875 3.35 3.85
        d1 min 1.6 2 3.2 4 5 5
        max 1.74 2.14 3.38 4.18 5.18 5.18
        Lh min 1.6 2.2 2.9 3.2 3.5 4.5 5.5 6 6 7 8







        Kuumad sildid: Hot Selling Clevis Pins, Hiina, tootja, tarnija, tehas
        Seotud kategooria
        Saada päring
        Palun esitage oma päring allolevas vormis. Vastame teile 24 tunni jooksul.
        X
        Kasutame küpsiseid, et pakkuda teile paremat sirvimiskogemust, analüüsida saidi liiklust ja isikupärastada sisu. Seda saiti kasutades nõustute meie küpsiste kasutamisega. Privaatsuspoliitika
        Keeldu Nõustu