Kodu > Tooted > Polt > Ümara peaga polt > Kalapoldi profiil
        Kalapoldi profiil
        • Kalapoldi profiilKalapoldi profiil
        • Kalapoldi profiilKalapoldi profiil
        • Kalapoldi profiilKalapoldi profiil

        Kalapoldi profiil

        Kalapoldi profiil Xiaoguo® tehases toodetud kalavarreprofiil on läbinud täpse töötluse. Kõik tootmisprotsessid on läbinud range kontrolli. Vastavalt AS 1085.4-2002 standardile ei pea muretsema toote kvaliteedi pärast. Pakume teile testimiseks tasuta proove.
        Mudel:ASME/ANSI B18.10-1-2006

        Saada päring

        Tootekirjeldus

        TheKalapoldi profiilkasutatakse peamiselt kalaplaatide ühendamiseks rööbasteel, võimaldades kahe rööbastee lõigu omavahel kindlalt ühendada, moodustades pika rööbastee. Saame toota vastavalt erinevatele rahvusvahelistele standarditele, nagu BS, ASTM, DIN ja muud standardid.

        Toote üksikasjad

        Poldil on mitu peakuju, näiteks ümmargune pea, kandiline pea ja kuusnurkne pea. Selle kruviosa on keermestatud ja suuruse spetsifikatsioonid on väga erinevad. Läbimõõt on üldiselt vahemikus M10 kuni M24 ja pikkus võib samuti ulatuda kümnetest millimeetritest kuni üle saja millimeetri. Levinud materjalide hulka kuuluvad süsinikteras, nagu Q235 ja 45# teras, aga ka roostevaba teras.

        TheKalapoldi profiilkasutatakse raudteetööstuses. Raudtee rajamisel kasutatakse neid rööbaste osade üksteise järel ühendamiseks. Rööbastest möödub iga päev arvukalt kiireid ja raskeid ronge, mis tekitavad märkimisväärset vibratsiooni ja survet. Polt suudab kindlalt lukustada rööpaühendused, mis tagavad rööbastee stabiilsuse ning võimaldavad rongil ohutult ja sujuvalt sõita. Olgu selleks kaubaraudtee kaugvedudeks või kiirraudtee ja tavaline raudtee reisijateveoks, ükski neist ei saa ilma selleta hakkama.

        Fish bolt profile

        Toote müügiargument

        TheKalapoldi profiilühendus on ühtaegu kindel ja praktiline. Sellega saab raudtee rööbaste liitekohad kindlalt fikseerida. Kui rong sõidab, siis rööpad ei nihku ega eraldu kergesti. Lisaks on sellel tugev mitmekülgsus ja seda saab kasutada rasketel raudteedel, kergraudteedel ja mõnedel rööbasteedel tööstuses.

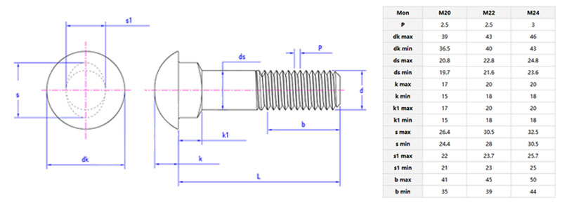
        Toote parameetrid

        Fish bolt profile


        Toote pakend

        Fish poldi profiili pakend on ehitatud praktiliseks ladustamiseks ja transportimiseks. Iga partii sorteeritakse esmalt suuruse järgi, seejärel pakitakse paksudesse kilekottidesse, kus kotis on 50 või 100 tükki. Kotid on tihedalt suletud, et hoida tolmu ja niiskust eemal, vältides rooste- või niidikahjustusi. Need väikesed kotid asetatakse seejärel lainepappidesse. Igal karbil on silt põhiteabega: suurus, kogus, tootmiskuupäev ja partii number. Hulgitellimuste puhul laotakse karbid puidust alustele ja kinnitatakse terasrihmadega, et vältida transpordi ajal nihkumist. Seda pakkimismeetodit on lihtne käsitseda, olgu see siis laos ladustamiseks või kohapeal kasutamiseks. Samuti aitab see kiirel laokontrollil ja tellimuste täitmisel nii riigisiseste kui ka rahvusvaheliste saadetiste puhul.


        Küsimuste ja vastuste seanss

        K: Millised standardsed spetsifikatsioonid on kalapoldi profiilil?

        V: Kalapoldi profiil järgib peamiselt rahvusvahelisi raudteekinnitusstandardeid, nagu DIN ja ISO. Üldised spetsifikatsioonid hõlmavad varre läbimõõtu 16 mm kuni 30 mm ja pikkust 80 mm kuni 200 mm. Need parameetrid on kohandatud rööbaste ja liiprite ühendamiseks. Pakume üksikasjalikku spetsifikatsioonitabelit ja teie konkreetse raudteeprojekti nõuete alusel on saadaval ka kohandatud kalapoldi profiil.  



        Kuumad sildid: Kalapoldi profiil, Hiina, tootja, tarnija, tehas
        Seotud kategooria
        Saada päring
        Palun esitage oma päring allolevas vormis. Vastame teile 24 tunni jooksul.
        X
        Kasutame küpsiseid, et pakkuda teile paremat sirvimiskogemust, analüüsida saidi liiklust ja isikupärastada sisu. Seda saiti kasutades nõustute meie küpsiste kasutamisega. Privaatsuspoliitika
        Keeldu Nõustu