Kodu > Tooted > Polt > Kuuskantpeaga ääriku polt > Äärikuga kuuskantpeaga poldid
        Äärikuga kuuskantpeaga poldid
        • Äärikuga kuuskantpeaga poldidÄärikuga kuuskantpeaga poldid
        • Äärikuga kuuskantpeaga poldidÄärikuga kuuskantpeaga poldid
        • Äärikuga kuuskantpeaga poldidÄärikuga kuuskantpeaga poldid

        Äärikuga kuuskantpeaga poldid

        Äärikuga kuuskantpeaga poltidel on äärik ja kuuskantpea. Ääriku taga on keermestatud kruvi. Äärik võib rõhku hajutada ja kohalikku survet vähendada. Xiaoguo® tehas pakub erineva suuruse ja spetsifikatsioonidega polte kiire tarne ja garanteeritud kvaliteediga.
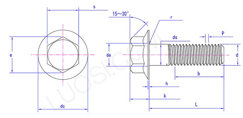
        Mudel:JIS B1189-1987

        Saada päring

        Tootekirjeldus

        Äärikuga kuuskantpeaga poltide kuuskantpea on ühendatud äärikuga ja äärik kruviga. Selle lõpppoltäärikuga ühendatud on osaliselt sile kruvi ja ülejäänud kruvil on keermed. Äärik asendab tihendit, mis vähendab paigaldus- ja reguleerimisaega. Kõrgusel töötades on see polt praktilisem kui tavaline polt. Professionaalse kinnitusdetailide tootjana saab Xiaoguo® konfigureerida erinevatest materjalidest polte vastavalt erinevatele tegelikele rakendusstsenaariumidele. Seal on palju materjale, nagu roostevaba teras, süsinikteras ja legeerteras. Pinda võib töödelda ka korrosioonikindlate katetega. Neid on erineva suurusega, mõned sobivad suurtele seadmetele, mõned sobivad väikestele seadmetele ja mõned sobivad täppisseadmetele. Pakume ka kohandamist ning kohandame suurust, materjali ja muid spetsifikatsioone vastavalt vajadustele.

        Hexagon head bolts with flange structure diagram

        Esmasp
        M4 M5 M6 M8 M10 M12 M14 M16
        P 0.7 0.8 1 1|1,25 1,25|1,5 1,25|1,75 1,5|2 1,5|2
        alalisvoolu max
        10.5 12 14 17.5 21 25 29 33
        ds max
        4 5 6 8 10 12 14 16
        ds min
        3.9 4.9 5.9 7.85 9.85 11.8 13.8 15.8
        e min
        7.74 8.87 11.05 13.25 15.51 18.9 21.1 24.49
        h min
        0.6 0.7 0.8 1 1.2 1.4 1.6 1.8
        k max
        4.2 5 6 8 10 11.5 13.5 15
        r min
        0.2 0.2 0.25 0.4 0.4 0.6 0.6 0.6
        s max
        7 8 10 12 14 17 19 22
        s min
        6.8 7.8 9.8 11.75 13.75 16.75 18.65 21.65
        da max
        4.7 5.7 6.8 9.2 11.2 14.2 16.2 18.2

        Rakendused

        Äärikuga kuuskantpeaga polte kasutatakse autode hoolduseks ja nendega saab asendada mootori osi. Kuna mootor vibreerib töötamise ajal tugevalt, saab neid kasutada uute osade tugevaks kinnitamiseks. Samal ajal kasutatakse neid šassii komponentide parandamiseks, mis tagab, et sõiduki liikumisel ei teki šassiiga probleeme.

        Äärikuga kuuskantpeaga polti saab kasutada kodumasinate, näiteks külmikute ja pesumasinate paigaldamiseks. Need kodumasinad vibreerivad töötamise ajal. Kui need pole kindlalt ühendatud, ei tee need mitte ainult palju müra, vaid on ka kahjustuste suhtes altid. Need suudavad omavahel tihedalt ühendada kõik kodumasinate komponendid, vähendada vibratsiooni mõju ja pikendada kodumasinate kasutusiga.

        Äärikuga kuuskantpeaga polti kasutatakse kontorilaudade ja toolide kokkupanemiseks. Olgu selleks metallraamiga töölaud või reguleeritava kõrgusega töötool, suudavad need kõik komponendid kindlalt fikseerida. Igapäevasel kasutamisel ei põhjusta laudade ja toolide sage liigutamine ja kõrguse reguleerimine nende lagunemist.

        Meie toodetud kuuskantpeaga poldid suudavad ära hoida terrassimööbli kokkuvarisemise. Nad suudavad jaotada survet raputavatele laua jalgadele.

        Toote kasutamine

        Kas vajate haagise konksu tihvti, mis ei lähe lahti?

        Äärikuga kuuskantpeaga poldid suudavad need kindlalt fikseerida. Ääriku ketas võib takistada poldipea metalli kulumist ja kuusnurkne pea kuju peab vastu rasvasele teeäärsele hooldusele. Te ei pea neid sageli kontrollima. Pärast paigaldamist saate kaupa hõlpsalt teisaldada.

        Kuumad sildid: Äärikuga kuuskantpeaga poldid, Hiina, tootja, tarnija, tehas
        Seotud kategooria
        Saada päring
        Palun esitage oma päring allolevas vormis. Vastame teile 24 tunni jooksul.
        X
        Kasutame küpsiseid, et pakkuda teile paremat sirvimiskogemust, analüüsida saidi liiklust ja isikupärastada sisu. Seda saiti kasutades nõustute meie küpsiste kasutamisega. Privaatsuspoliitika
        Keeldu Nõustu