Kodu > Tooted > Pähkel > Käsikruvi mutter > Kõrge kraega rihveldatud rullmutter
      Kõrge kraega rihveldatud rullmutter
      • Kõrge kraega rihveldatud rullmutterKõrge kraega rihveldatud rullmutter
      • Kõrge kraega rihveldatud rullmutterKõrge kraega rihveldatud rullmutter

      Kõrge kraega rihveldatud rullmutter

      Investeerige püsivasse täpsusesse ja tuge. XIAO GUO vastupidav kõrge kraega rihveldatud rullmutter on ehitatud vastupidavaks. Toetame oma tooteid tugeva kõrge kaelusega rihveldatud rullmutri 2-aastase garantiiga, mis tagab kindlustunde ja vähendab teie koguomamiskulusid.

      Saada päring

      Tootekirjeldus

      Teil on vaja tolli- või kvaliteedikontrolli sertifikaati, mille olete ise registreerinud High Collar Knurled Rolling Nuts jaoks ja mille saame tellimuse esitamisel tasuta väljastada. saame selle tellimuse esitamisel tasuta pakkuda. Sertifikaadil pole väljamõeldud sisu, vaid vajalik põhiteave.

      See sisaldab üksikasju, nagu partii number, tooraine tüüp, pinnatöötlusmeetod ja peamised katsetulemused. Need testid hõlmavad asjakohaste katsete keerme täpsust, suuruse konsistentsi ja korrosioonikindluse andmeid. Igal sertifikaadil on ainulaadne jälgitavuskood, nii et saate kontrollida selle autentsust ja vajadusel kontrollida testi üksikasju.

      Dokumendis on kasutatud lihtsat keelt, ilma keeruliste tehniliste terminiteta. See vastab üldistele tööstusstandarditele ja on tunnustatud enamiku rahvusvaheliste saadetiste puhul. Lihtsalt andke meile tellimisel teada, et vajate seda ja me lisame selle teie kõrge kraega rihveldatud rullmutri tarnega kaasa. Selle teenuse eest pole lisatasusid ega tüütuid protseduure.

      Toote kasutusalad

      Seda kasutatakse peamiselt keermestatud aukude lisamiseks õhukesele lehtmetallile ilma lisamutriteta. Leiate selle elektroonikatööstuses – näiteks komponentide paigaldamine seadme korpusele või metallpaneelide kinnitamine arvutitele ja printeritele. See töötab siin, kuna see on tasapinnaline ega võta seadmetes lisaruumi.

      See on levinud ka mööbli kokkupanemisel. Töötajad kasutavad seda metallklambrite kinnitamiseks kapiraamidele või sahtlite lükanduste kinnitamiseks metallsiinidele. Väikestes töökodades on see mugav kohandatud lehtmetalliprojektide jaoks, näiteks tööriistakastide või metallriiulite ehitamisel, mis vajavad tugevaid ja usaldusväärseid kinnitusi.

      DIY entusiastid kasutavad seda ka näiteks metallist aiatööriistade parandamiseks või väikeste metallist käsitöö tegemiseks. See sobib suurepäraselt igaks tööks, kus vajate õhukeses metallis keermestatud auku, kuid te ei soovi keevitada ega kasutada mahukat riistvara. Kõrge kraega rihveldatud rullmutter sobib enamiku kergete ja keskmiste lehtmetalli kinnitusvajadustega, ilma keerukate tööriistade kasutamiseta.

      High Collar Knurled Rolling Nut

      Küsimuste ja vastuste seanss

      K: Mis siis, kui mõned tooted on pärast tarnimist defektsed?

      V: Esmalt tehke defektsetest toodetest fotod või videod ja saatke need meile 7 päeva jooksul pärast kättesaamist. Kontrollime probleemi kiiresti. Kui see on meie toodangu kvaliteediprobleem, saadame asendused tasuta. Asenduse saatmiskulud katame meie. Meil on selliseid probleeme harva, kuna iga partii läbib range kontrolli, kuid me tegeleme müügijärgse müügiga korralikult, et vältida teie kasutuse mõjutamist.  

      High Collar Knurled Rolling Nut


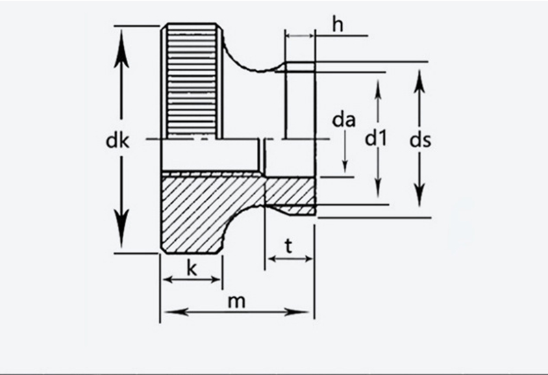
      suurus Pitch Välisläbimõõt Kõrgus k ds da d1 T h
      max min max min max min max min max
      M3 0.5  11  10.7  6.64  2.8  5.7  3.5  3.2  5.2  1.2 
      M4 0.7  12  11.7  7.64  7.64  4.5  4.2  6.4  2.5  1.5 
      M5 0.8  16  15.7  10  96,6  10  9.64  5.5  5.5 
      M6 20  19.7  12  11.6  12  11.6  6.56  6.2  11  2.5 
      M8 1.25  24  23.7  16  15.6  16  15.6  8.86  8.5  13 
      M10 1.5 30 29.7 20 19.5 8 20 19.5 10.9 10.5 17.2 6.5 3.8
      Kuumad sildid: Kõrge kraega rihveldatud rullmutter, Hiina, tootja, tarnija, tehas
      Seotud kategooria
      Saada päring
      Palun esitage oma päring allolevas vormis. Vastame teile 24 tunni jooksul.
      X
      We use cookies to offer you a better browsing experience, analyze site traffic and personalize content. By using this site, you agree to our use of cookies. Privacy Policy
      Reject Accept