Kodu > Tooted > Pähkel > Käsikruvi mutter > Kõrge peaga rihvelmutrid
        Kõrge peaga rihvelmutrid
        • Kõrge peaga rihvelmutridKõrge peaga rihvelmutrid
        • Kõrge peaga rihvelmutridKõrge peaga rihvelmutrid

        Kõrge peaga rihvelmutrid

        Integreerige liikumisjuhtimise tulevik. XIAO GUO uusimatel kõrge peaga rihvelmutritel on optimeeritud kuuliringlus, mis tagab vaiksema töö ja suurema kiiruse. See on uhke kõrge peaga rihvelmutrite valik järgmise põlvkonna masinatele.

        Saada päring

        Tootekirjeldus

        High Head Knurled Nuts'i saatekulud sõltuvad tellimuse suurusest ja tarneaadressist. Väiksematel tellimustel on tavaliselt kõrgemad saatmiskulud. Väikeste tellimuste puhul, nagu näidispartiid või alla 5000 tüki, kasutame kullereid, nagu DHL või FedEx. Maksumus jääb tavaliselt vahemikku 25–90 dollarit ja kohaletoimetamine võtab aega 3–7 päeva. Postipost on odavam, kuid aeglasem, kuludes umbes 10–18 päeva.

        Üle 10 000 tüki hulgitellimused on paremad mere- või õhutranspordiga. Merevedu on kuluefektiivsem, makstes 350–900 dollarit kuupmeetri kohta, kuid selleks kulub 20–35 päeva. Lennutransport on kiirem (5–10 päeva), kuid kallim, umbes 6–9 dollarit kilogrammi kohta. Transpordi ajal kahjustamise vältimiseks pakendame need korralikult.

        Lihtsalt öelge meile oma tellimuse kogus ja sihtkoht ning me saame teile anda täpse hinnapakkumise. Varjatud tasud puuduvad – maksate ainult tegeliku saatekulu. Kõrge peaga rihvelmutrite tarnevõimalused sobivad nii väikeste proovide kui ka suurte hulgiostude jaoks, sobides erinevate eelarve- ja ajavajadustega.

        Toote välimuse omadused

        Sellel on üldiselt lihtne silindriline kuju, ilma täiendavate kujundusdetailideta. Välispind on sile, mis aitab paigaldamisel hõlpsalt eelnevalt puuritud aukudesse sobituda. Ühe otsa ümber on väike äärik – see hoiab ära selle sissepressimisel läbi lehtmetalli libisemise.

        Siseosas on ühtlased keermed, mis vastavad tavapärastele poltide suurusele. Keermed ei ole liiga teravad, täpselt sobivad poltidega sujuvaks sobitamiseks. Teine ots on tasane, nii et pärast paigaldamist istub see tasapinnaliselt vastu lehtmetalli, ilma välja kleepuvate osadeta.

        Selle suurus on väike ja vastab õhukese lehtmetalli vajadustele. Pinnal on lihtsalt põhikate, näiteks tsinkimine või passiveerimine, ilma lisavärvide või kaunistusteta. Kõrge peaga rihvelmutrite kuju on praktiline, muutes selle paigaldamise ja lehtmetalli montaažitööde jaoks lihtsaks.

        High Head Knurled Nuts

        Küsimuste ja vastuste seanss

        K: Kas saate seda kohandada mittestandardsete suurustega?

        V: Jah, me aktsepteerime kohandatud tellimusi mittestandardsete keerme suuruste või välisläbimõõtude jaoks. Peate meile lihtsalt saatma oma üksikasjalikud suurusenõuded ja eeldatava tellimuse koguse. Eritellimuste tootmisaeg on umbes 15-20 päeva, mis on pisut pikem kui tavapärastel. Kui kogus on üle 50 000 tüki, lisavormitasu pole. Enne masstootmist saadame teile esmalt proovid.  


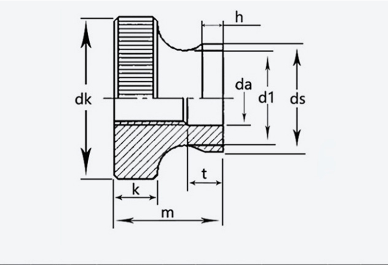
        suurus Pitch Välisläbimõõt Kõrgus k ds da d1 T h
        max min max min max min max min max
        M3 0.5  11  10.7  6.64  2.8  5.7  3.5  3.2  5.2  1.2 
        M4 0.7  12  11.7  7.64  7.64  4.5  4.2  6.4  2.5  1.5 
        M5 0.8  16  15.7  10  96,6  10  9.64  5.5  5.5 
        M6 20  19.7  12  11.6  12  11.6  6.56  6.2  11  2.5 
        M8 1.25  24  23.7  16  15.6  16  15.6  8.86  8.5  13 
        M10 1.5 30 29.7 20 19.5 8 20 19.5 10.9 10.5 17.2 6.5 3.8
        Kuumad sildid: Kõrge peaga rihvelmutrid, Hiina, tootja, tarnija, tehas
        Seotud kategooria
        Saada päring
        Palun esitage oma päring allolevas vormis. Vastame teile 24 tunni jooksul.
        X
        Kasutame küpsiseid, et pakkuda teile paremat sirvimiskogemust, analüüsida saidi liiklust ja isikupärastada sisu. Seda saiti kasutades nõustute meie küpsiste kasutamisega. Privaatsuspoliitika
        Keeldu Nõustu