Kodu > Tooted > Polt > Ümara peaga polt > Tõsteaasa polt
        Tõsteaasa polt
        • Tõsteaasa poltTõsteaasa polt
        • Tõsteaasa poltTõsteaasa polt
        • Tõsteaasa poltTõsteaasa polt

        Tõsteaasa polt

        XIAOGUO® ulatuslik kataloog sisaldab polte, mutreid, kruvisid ja seipe, mis on loodud äärmise vastupidavuse tagamiseks. Tõsteaasa polte on saadaval erinevat tüüpi, sealhulgas õla-, mitteõla- ja pööratavad variandid, millest igaüks sobib konkreetsete suunajõudude jaoks.
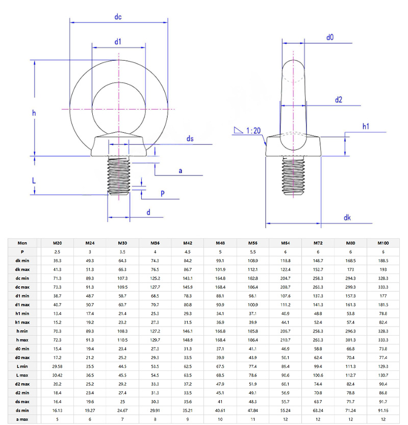
        Mudel:GB/T 885-1986

        Saada päring

        Tootekirjeldus

        Tõsteaasa polton tõesti olulised masinate tõstmiseks, veose sidumiseks ja konstruktsioonide paigal hoidmiseks. Ehituses kasutatakse neid HVAC-süsteemide või terastalade riputamiseks. Meretöödel aitab see monteerida purjesid või kinnitada paatide sildumisvarustust. Teatrilavadel kasutatakse neid valgustusseadmete riputamiseks ja autoremonditöökodades hoiavad need remondi ajal mootoreid paigal.


        Need pole mõeldud ainult tööstuslike asjade jaoks – võite neid isegi kodus kasutada kiige või muu sarnase riputamiseks. Nad töötavad kõiges alates väikestest elamutöödest kuni suurte ehitusprojektideni. Lihtsalt veenduge, et kasutatavad aaspoldid peavad vastu vajaliku raskusega. Koormuse spetsifikatsioonide kontrollimine on võtmetähtsusega asjade ohutuks ja töökorras hoidmiseks, olenemata sellest, milleks te neid kasutate.

        Lifting Eye Bolt

        Toote üksikasjad:

        Paigaldaminetõsteaas poltõige on nende toimimise seisukohalt väga oluline. Õlakujulised tuleb täielikult asetada aukudesse, mille olete esmalt puurinud. Kui koormus ei ole sirge (nagu nurga all), kasutage selle asemel pöördsilmuga versioone. Ärge kunagi pange neile rohkem raskust kui nende nimipiir ja ärge kasutage neid, kui niidid on kahjustatud. Veenduge, et koorem oleks keskel, nii et te ei avaldaks neile külgsuunalist pinget. Kasutage jõu hajutamiseks seibe või kraed. Pea kohal tõstmiseks kasutage nendega koos sertifitseeritud taglaseid.

        Toote parameetrid

        Lifting Eye Bolts

        KKK

        K: Kuidas valida sepistatud vaheltõsteaas poltja keevitatud Eye polt?

        V: Sepistatud on suurema tugevusega ja sobivad paremini raskete esemete tõstmiseks. Selle põhjuseks on asjaolu, et sepistamisprotsess võib metallkiud kenasti kokku panna, muutes need tugevamaks ja vastupidavamaks. Sepistatud tüübi hind on keevistüübiga võrreldes kõrgem. Keevitatud tüüp (näiteks rõngas- või tihenditüüp) on madalama hinnaga ja sobib mittekriitiliste staatiliste koormuste jaoks. Selle keevisõmblus võib aga muutuda nõrgaks kohaks, mistõttu ei talu see suuri koormusi ja on nõrgema kandevõimega. Olukordadeks, kus tuleb tõsta raskeid esemeid, tuleb valida usaldusväärse sertifikaadiga (nt ISO 9001) sepistatud rõngaspoldid. Keevitatud polte saab tavaolukorras kasutada fikseerimiseks või ankurdamiseks ilma äkiliste või liikuvate jõududeta. Kui te pole kaalunõuetes kindel, konsulteerige lihtsalt meie meeskonnaga – aitame teil tagada, et te ei teeks valet valikut.


        Kuumad sildid: Lifting Eye Bolt, Hiina, tootja, tarnija, tehas
        Seotud kategooria
        Saada päring
        Palun esitage oma päring allolevas vormis. Vastame teile 24 tunni jooksul.
        X
        Kasutame küpsiseid, et pakkuda teile paremat sirvimiskogemust, analüüsida saidi liiklust ja isikupärastada sisu. Seda saiti kasutades nõustute meie küpsiste kasutamisega. Privaatsuspoliitika
        Keeldu Nõustu