Kodu > Tooted > Keevitusmutrid > Keevitatud naast > Ümmargused lamepea projektsiooniga keevispoldid
        Ümmargused lamepea projektsiooniga keevispoldid
        • Ümmargused lamepea projektsiooniga keevispoldidÜmmargused lamepea projektsiooniga keevispoldid
        • Ümmargused lamepea projektsiooniga keevispoldidÜmmargused lamepea projektsiooniga keevispoldid
        • Ümmargused lamepea projektsiooniga keevispoldidÜmmargused lamepea projektsiooniga keevispoldid

        Ümmargused lamepea projektsiooniga keevispoldid

        Ümmargused lameda peaga eenduvad keevispoldid on mõeldud plastide pindade keevitamiseks. Nad kasutavad soojust materjalide sulatamiseks ja sidumiseks ilma neid kahjustamata. Selle disain tagab turvalise sobivuse ja takistab plasti pragunemist. Xiaoguo® Factory pakub erineva suuruse ja mudeliga kinnitusvahendeid, mida saab kasutada mitmesuguste stsenaariumide korral.
        Mudel:QC/T 891-2011

        Saada päring

        Tootekirjeldus

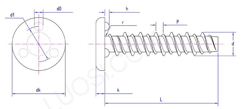
        Ümmargused tasapinnalised eenduvad keevisnaastud koosnevad peamiselt kruvivardast ja peast. Pea disain on erinev. Mõned on suhteliselt laiad, et suurendada keevitamise ajal plastiga kokkupuutepinda; teistel on spetsiaalsed mustrid või eendid, mis hõlbustavad plastikuga paremat integreerimist.

        Toote rakendused ja parameetrid

        Round flat head projection weld studs parameter

        Esmasp
        NST3 NST3.5
        NST4
        NST5
        NST6
        P
        1.1 1.3 1.4 1.6 1.8
        d1
        6.2 7 8 9.2 10.8
        d0 max
        1.1 1.4 1.9 2.1 2.7
        d0 min
        0.9 1.2 1.7 1.9 2.4
        dk max
        8.3 9.4 10.9 12.3 14.5
        dk min
        8.1 9.2 10.7 12.1 14.2
        h max
        0.45 0.55 0.7 0.8 1.05
        h min
        0.35 0.45 0.6 0.7 0.95
        k max
        1 1.2 1.3 1.7 2.1
        k min
        0.6 1 1.1 1.5 1.9
        r max
        0.4 0.5 0.6 0.7 1.0


        Ümmargused lamepead projektsioonkeevituspoldid on kasutusel elektroonikatööstuses. Näiteks telefonikorpuste, tahvelarvutite korpuste, kõrvaklappide korpuste jms valmistamisel on mõnede sisemiste plastkonstruktsioonikomponentide ühendused vaja seda tüüpi kruvisid kasutada. Kui paigaldate telefoni sisse plastosad, nagu akuhoidja ja emaplaadi kaitse, kinnitage need keevitamise teel vastavatesse kohtadesse ja seejärel paigaldage muud komponendid.

        Neid keeviskruvisid kasutatakse mänguasjade tootmises. Paljud mänguasjad on kokku pandud plastosadest ja neid osi saab kasutada nende ühendamiseks. Näiteks plastist ehitusklotsid mängulosside ehitamiseks, plastikust mudelautod jne. Need tagavad mänguasjade vastupidavuse ja laste kasutamise ohutuse.

        Projektsioonkeevituspolte kasutatakse majapidamistarbeid töötlevas tööstuses. Paljud plasttooted, nagu plastikust hoiukarbid, plastikust lauad ja toolid jne, hakkavad neid kasutama. Hoiukasti käepidemete, vaheseinte ja muude komponentide paigaldamisel keevitage keevituskruvid hoiukarbi põhikorpuse külge ja seejärel paigaldage vastavad komponendid. See tagab, et need komponendid ei eraldu sagedasel igapäevasel kasutamisel kergesti, suurendades seeläbi hoiukasti praktilisust ja kasutusiga.

        Toote funktsioon

        Ümmargused lameda peaga eenduvad keevisnaastud võimaldavad saavutada turvalise ja mugava ühenduse plastkomponentide vahel. Keevitamise abil seotakse see tihedalt plastkomponentidega, suure ühendustugevusega, vältides tõhusalt komponentide lahtitulekut. Keevitusoperatsioon on suhteliselt lihtne. Neile, kellel on plastitöötlemise kogemus, on seda lihtne omandada ja see võib suurendada tootmise efektiivsust.


        Kuumad sildid: Ümmargused lamepea projektsiooniga keevispoldid, Hiina, tootja, tarnija, tehas
        Seotud kategooria
        Saada päring
        Palun esitage oma päring allolevas vormis. Vastame teile 24 tunni jooksul.
        X
        Kasutame küpsiseid, et pakkuda teile paremat sirvimiskogemust, analüüsida saidi liiklust ja isikupärastada sisu. Seda saiti kasutades nõustute meie küpsiste kasutamisega. Privaatsuspoliitika
        Keeldu Nõustu