Kodu > Tooted > Pähkel > Käsikruvi mutter > Ümmargused nupud kraega rullimismutriga
      Ümmargused nupud kraega rullimismutriga
      • Ümmargused nupud kraega rullimismutrigaÜmmargused nupud kraega rullimismutriga
      • Ümmargused nupud kraega rullimismutrigaÜmmargused nupud kraega rullimismutriga

      Ümmargused nupud kraega rullimismutriga

      Täpse lineaarse liikumise jaoks valige XIAO GUO täiustatud ümmargused nupud koos krae rullmutriga. Kuulkruvide jaoks mõeldud see tagab sujuva ja suure tõhususega liikumise, muutes meist usaldusväärse Hiina ümmarguste nuppude koos kraega rullmutriga tarnija CNC- ja automaatikasüsteemide jaoks.

      Saada päring

      Tootekirjeldus

      Esmalt puurige lehtmetalli auk, mis vastab krae rullmutri suurusele ümaratele nuppudele. Ärge tehke auku liiga suureks – vastasel juhul ei lukustu see korralikult. Puhastage auku jäänud metalllaastud; need võivad installimist takistada.

      Seejärel asetage mutter eelnevalt puuritud auku, veendudes, et see on tasaselt vastu lehte. Kasutage tavalist presstööriista, mille stants sobib mutri ülaosaga. Rakendage tööriistale ühtlast ja ühtlast survet – tunnete kerget klõpsatust, kui see paigale lukustub. Hoidke survet 1–2 sekundit, et veenduda, et see on kindel.

      Vältige haamrilööke; see võib mutrit painutada või lehtmetalli kahjustada. See töötab kõige paremini õhukesel kuni keskmisel lehtmetallil (paksus 0,5–2 mm). Pärast paigaldamist saate poldi sujuvalt sisse keerata, ilma et mutter pöörleks. Kaelusega rullimismutriga ümmargusi nuppe on lihtne kasutada ka algajatele, keerulisi oskusi pole vaja.

      Toote pakend

      Pähklite ohutuse tagamiseks kasutame lihtsat ja praktilist pakendit. Väikeste tellimuste või proovide jaoks pakitakse need läbipaistvatesse kilekottidesse – tavaliselt 100 või 200 tükki koti kohta. Igal kotil on põhisilt suuruse, materjali ja partii numbriga, et saaksite vajaliku hõlpsalt leida.

      Hulgitellimused lähevad tugevatesse karpidesse. Olenevalt mutri suurusest mahutab iga karp 5000 kuni 10 000 tükki. Panime sisse vaht- või mullikile, et vältida nende kriimustamist ega liikumist saatmise ajal. Kastidel on käsitsemise kohta selged märgid, näiteks "hoida kuivana" või "raskeid asju ei tohi virnastada".

      Kui vajate kohandatud pakendeid (nt oma logo kottidel või kindlat kogust paki kohta), andke meile tellimisel teada. Ei mingit ekstra uhket kraami, vaid see, mis sobib ladustamiseks ja saatmiseks. Saadaval on need standardsed valikud, mis sobivad enamiku väikeste töökodade, suurte tehaste või DIY kasutajate vajadustega.

      Round Knobs With Collar Rolling Nut

      Küsimuste ja vastuste seanss

      Millise paksusega lehtmetall sobib kraega rullmutriga ümarnuppude jaoks?  

      V: See töötab kõige paremini õhukese ja keskmise lehtmetalliga, paksusega 0,5–2,5 mm. Liiga paks metall ei lase sellel korralikult lukustuda ja liiga õhuke võib paigaldamise ajal deformeeruda. Tavalised materjalid, nagu külmvaltsitud teras, alumiinium ja roostevaba teras, on kõik korras. Lihtsalt veenduge, et eelpuuritud augu suurus ühtiks mutri välisläbimõõduga – saame pakkuda suurustabeli, kui vajate seda viitamiseks.  

      Round Knobs With Collar Rolling Nut

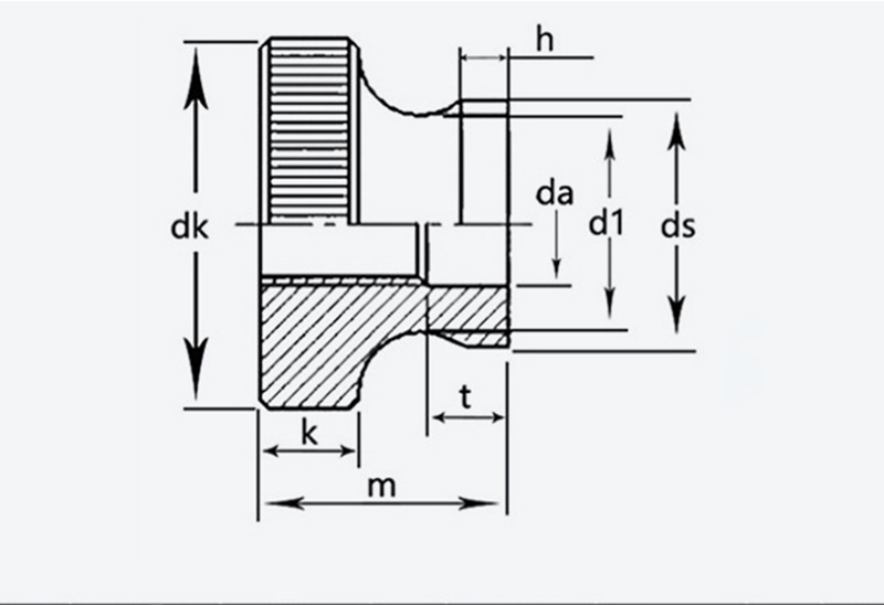
      suurus Pitch Välisläbimõõt Kõrgus k ds da d1 T h
      max min max min max min max min max
      M3 0.5  11  10.7  6.64  2.8  5.7  3.5  3.2  5.2  1.2 
      M4 0.7  12  11.7  7.64  7.64  4.5  4.2  6.4  2.5  1.5 
      M5 0.8  16  15.7  10  96,6  10  9.64  5.5  5.5 
      M6 20  19.7  12  11.6  12  11.6  6.56  6.2  11  2.5 
      M8 1.25  24  23.7  16  15.6  16  15.6  8.86  8.5  13 
      M10 1.5 30 29.7 20 19.5 8 20 19.5 10.9 10.5 17.2 6.5 3.8
      Kuumad sildid: Ümmargused nupud krae rullmutriga, Hiina, tootja, tarnija, tehas
      Seotud kategooria
      Saada päring
      Palun esitage oma päring allolevas vormis. Vastame teile 24 tunni jooksul.
      X
      We use cookies to offer you a better browsing experience, analyze site traffic and personalize content. By using this site, you agree to our use of cookies. Privacy Policy
      Reject Accept