Ise ankurdamise paisumispoldid koosnevad peamiselt kruvidest, paisutorudest, pähklitest ja muudest osadest. Paigaldamise ajal, pingutades mutrit, juhib kruvi paisumistoru, et laieneda puuraugu sees, kinnitades selle kindlalt seinale või muule aluspinnale.
	
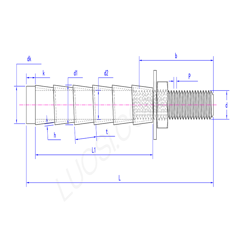
| Esmaspäev | M6 | M8 | M10 | M12 | M16 | M20 | M22 | M24 | 
| P | 1 | 1.25 | 1.5 | 1.75 | 2 | 2.5 | 2.5 | 3 | 
| DK Max | 10 | 12 | 14 | 16 | 20 | 24 | 26 | 28 | 
| Dk min | 9 | 11 | 13 | 15 | 19 | 23 | 25 | 27 | 
| L1 | 45 | 60 | 70 | 75 | 100 | 125 | 150 | 180 | 
| k | 5 | 5 | 5 | 5 | 5 | 5 | 5 | 5 | 
| D1 | 9.8 | 11.8 | 13.8 | 15.8 | 19.8 | 23.8 | 25.8 | 27.8 | 
| D2 | 6.2 | 8.2 | 10.2 | 12.2 | 16.2 | 20.2 | 22.2 | 24.2 | 
| h | 0.6 | 0.8 | 0.8 | 0.8 | 0.9 | 1 | 1 | 1.2 | 
| t | 10 | 12 | 12 | 14 | 14 | 16 | 16 | 20 | 
| L | 65 | 85 | 100 | 110 | 150 | 200 | 250 | 300 | 
	
Iseotsuse laienemispolt võib kindlalt ankurdada esemeid betoonist või müüritise struktuurides. Peate lihtsalt augud puurima, polte sisestama ja seejärel mutreid pingutama. Pimestamisel laieneb polt ise auku. Tavaliselt moodustatakse see koonuse varrukasse tõmmates, luues sellega kindla mehaanilise luku ja kinnitades selle kindlalt seinale.
	
Iseankrusse paisumise poltide paigaldamine on väga lihtne: õige suurusega puurimisavad, eemaldage tolm, koputage poldid haamriga sisse ja pingutage mutrivõtmega pähklid. Pingutusprotsessi ajal on laienemismehhanism sunnitud alusmaterjali avama ja kindlalt haarama. See on otsene "installimine ja pingutamine" protsess, mis võib saavutada kindla fikseerimise.
	
Näiteks kinnitage sulg betoonseina külge, kinnitage mehaaniline alus põrandale, kinnitage käsipuu või kinnitage veerg vundamendi külge. Need sobivad väga keskmise ja raskete toimingute jaoks tahke betooni, telliste või plokkide korral, kus peate pärast vundamendi ehitamist lisama tugeva ja eemaldatava ankrupunkti.
	
Ise ankurdamise laienemispoltidel on tugev kohanemisvõime. Sellel on tugev kohanemisvõime erinevate baastasanditega. Ükskõik, kas see on betoonsein, telliskivisein või mõni puitkonstruktsioon, kui puuritakse sobivad augud, võib see mängida väga head ankurdamisrolli. Pealegi on see erineva spetsifikatsiooniga. Vastavalt tegelikele paigaldusnõuetele ja baaspinna seisundile saab sobiva suuruse valida erinevate paigaldusstsenaariumide täitmiseks.
	