Kodu > Tooted > Polt > Ankrupolt > Ruudukite peaga kaela ankrupoldid
        Ruudukite peaga kaela ankrupoldid
        • Ruudukite peaga kaela ankrupoldidRuudukite peaga kaela ankrupoldid
        • Ruudukite peaga kaela ankrupoldidRuudukite peaga kaela ankrupoldid
        • Ruudukite peaga kaela ankrupoldidRuudukite peaga kaela ankrupoldid

        Ruudukite peaga kaela ankrupoldid

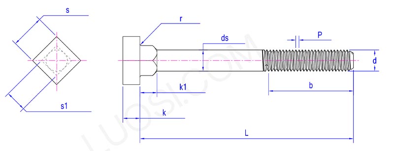
        Ruudukujulise peaga kaela ankrupoldidel on ruudukujuline pea, mille põhjas peaga on ühendatud ruudukujuline kael ja teises otsas keermestatud konstruktsioon. Xiaoguo® tehase toodetud poldid sobivad väikeste DIY-projektide ja suuremahuliste konstruktsioonide jaoks ning neid saab kasutada hästi betooni ja muude kõvade materjalidega.
        Mudel:BS 7419-1991

        Saada päring

        Tootekirjeldus

        Ruudukujulise peaga kaela ankru poltide pea on ruudukujuline ja ka kael. Ruudukujuline peakujundus pakub mutrivõtme jaoks suurt kontaktpinda, tagades stabiilsema jõu kasutamise. See on eriti praktiline stsenaariumide korral, mis nõuavad tugevat pöördemomenti ja libisemisvastaseid mõõtmeid.

        Toote parameetrid

        square head square neck anchor bolts parameter

        Esmaspäev
        M16
        M20
        M24
        M30
        M36
        M42
        M48
        M56
        M64
        P
        2 2.5 3 3.5 4 4.5 5 5.5 6
        B max
        122 127.5 133 140.5 148 155.5 163 172.5 182
        B min
        116 120 124 130 136 142 148 156 164
        DS Max
        16.7 20.84 24.84 30.84 37 43 49 57.2 65.2
        Ds min
        15.3 19.16 23.16 29.16 35 41 47 54.8 62.8
        K min
        9.25 11.6 14.1 17.65 21.45 24.95 28.95 33.75 38.75
        k Max
        10.75 13.4 15.9 19.75 23.55 27.05 31.05 36.25 41.25
        R min
        0.6 0.8 0.8 1 1 1.2 1.6 2 2
        s Max
        24 30 36 46 55 65 75 85 95
        s min
        23.16 29.16 35 45 53.8 63.1 73.1 82.8 92.8
        K1 min
        7.25 9.25 11.1 14.1 17.1 19.95 22.95 26.95 30.75
        K1 max
        8.75 10.75 12.9 15.9 18.9 22.05 25.05 29.05 33.25
        S1 max
        16.7 20.84 24.84 30.84 37 43 49 57.2 65.2
        S1 min
        15.3 19.16 23.16 29.16 35 41 47 54.8 62.8

        Tooteomadused

        Ruudukujulise peaga kaela ankrupoldid viitavad enne betooni tahkumist manustatud kindlatele poltidele. Pärast betooni kõvenemist lukustab ruudukujuline kaelpoldidPaigas, et vältida nende pöörlemist, kui pähklid hiljem pingutatakse. Need on vundamendid, mis ankurdavad betoonise vundamendi jaoks otseseid raskeid objekte, nagu kolonnid, masinad või konstruktsiooniteras.

        Ankrupoldid on kindlalt paigaldatud. Mutri pingutamisel kinnitatakse ruudukujuline kael tihedalt paigaldatud materjali, näiteks betooni või puitu, et vältida poldi pöörlemist koos pähkliga. Nii saab fikseeritud objekt kindlalt oma paigas püsida ega raputa ega nihkuda kergesti.

        Selle mõõdiku ankrupoldi paigaldamine toimub betooni valamisprotsessi ajal. Nende positsioneerimiseks võite kasutada malle või seadmeid, veendudes, et keermestatud otsad oleksid ülespoole suunatud. Võtmetapp on manustada ruudukujuline kaelaosa märja betooni. Kuna betoon tahkestub ümber ruudukaela, haarab see kindlalt ruudukaelast. Pärast seda peate lihtsalt asetama ese poldile ja pingutama mutter paljastatud niit.

        Ruudukujulised ruudukujulised kaelaankrupoldid on šokikindlad. Kuna poldid on füüsiliselt lukustatud betoonisse ruudukujulise kaela ümbritseva karastatud materjali abil, lõdvenevad need vibratsiooni või liikumise tõttu vähem. See võimaldab neil usaldusväärselt ankurdada vibreerimismasinaid või struktuure dünaamilise koormuse korral, näiteks tuul või liiklus.


        Kuumad sildid: Ruudukite peaga kaela ankrupoldid, Hiina, tootja, tarnija, tehas
        Seotud kategooria
        Saada päring
        Palun esitage oma päring allolevas vormis. Vastame teile 24 tunni jooksul.
        X
        Kasutame küpsiseid, et pakkuda teile paremat sirvimiskogemust, analüüsida saidi liiklust ja isikupärastada sisu. Seda saiti kasutades nõustute meie küpsiste kasutamisega. Privaatsuspoliitika
        Keeldu Nõustu