Õla tüüp Kinnitusdetailide silmuspoltide klassid on määratletud tugevuse ja materjali standarditega, mis on ohutu tõstmise jaoks olulised. Levinud klassid hõlmavad süsinikterase variantide puhul 4,8, 8,8, 10,9 ja 12,9 – suuremad numbrid tähendavad suuremat tõmbetugevust. Hinne 4.8 sobib kergeteks töödeks, nagu kodus isetegemine, samas kui 8.8 sobib üldiseks tööstuslikuks kasutamiseks. Kõrgtugevad 10,9 ja 12,9 klassid taluvad suuri koormusi ehituses või masinates.
Roostevabast terasest versioonid järgivad sageli A4 (316) või A2 (304) klassi, seades esikohale korrosioonikindluse mere-/keemiakeskkonnas. Sepistatud legeeritud terase klassid pakuvad ülimat vastupidavust äärmuslikuks tõstmiseks. Igale klassile on märgitud koormusnormid, mis tagab ühilduvuse kavandatud rakendustega ja ohutusnõuete järgimise.
Õlatüüpi Eye poldi kvaliteedikontroll tähendab põhjalikku kontrolli, et veenduda, et see on ohutu ja töötab õigesti. See protsess hõlmab tavaliselt materjali õige kvaliteedi kontrollimist, keermete kontrollimist, et näha, kas need on õiged, ja koormustestide läbiviimist, et kinnitada töökoormuse piirangut (WLL). Samuti kontrollivad nad, kas mõõtmed vastavad standarditele nagu DIN või ISO. Iga silmapoltide partii peaks olema jälgitav ja saate sertifikaadi, mis tõendab, et see vastab teie kasutusnõuetele.

Küsimus: Kuidas peaksin õigesti paigaldama õlatüüpi aaspolti? Tavalise poldi puhul keerake see lõpuni otse trepiga avasse – veenduge, et aasõlg puudutaks pinda. Nurga tõmbamine vähendab täielikult selle ohutut töökoormust ja see on ohtlik.

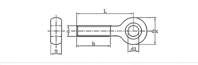
mm
Keerme läbimõõt
d1
dk
s
M6
5
10.5
5.4
M8
6
13
7
M10
8
16
8.5
M12
10
19
10.5
M14
10
22
12