Kodu > Tooted > Kruvi > Muud kruvid > Vedruga kruvi
        Vedruga kruvi
        • Vedruga kruviVedruga kruvi
        • Vedruga kruviVedruga kruvi
        • Vedruga kruviVedruga kruvi
        • Vedruga kruviVedruga kruvi
        • Vedruga kruviVedruga kruvi

        Vedruga kruvi

        Vedruga kruvisid kasutatakse sageli rakendustes, mis nõuavad vibratsioonikindlust, soojuspaisumise kompenseerimist või kontrollitud kinnitusjõudu, näiteks autotööstuses või elektroonikas. Xiaoguo®-l on professionaalsed seadmed ja professionaalne personal, kes pakuvad professionaalseid teenuseid ning on tuntud Hiina tootja.

        Saada päring

        Tootekirjeldus

        Vedruga kruvil on erinevad täiustatud pinnatöötlused, et töötada paremini ja kesta kauem. Levinud on galvaniseeritud tsink, mõnikord kollase, sinise või läbipaistva kromaadi passiveerimisega, et võidelda rooste vastu ja paremini välja näha. Samuti on olemas sitke Geomet® (mis on nagu Dacromet, tsinkhelveste kate), vastupidavad fosfaatkatted (nagu mangaan või tsinkfosfaat õli hoidmiseks ja hõõrdumise reguleerimiseks) või uhked kuivkile määrdeained.


        Roostevaba vedruga kruvid passiveeritakse tavaliselt, et suurendada nende loomulikku korrosioonikindlust. Need töötlused hoiavad neid roostetamise eest, vähendavad paigaldamisel hõõrdumist (nii saavutate täpsema klambrikoormuse) ja võivad anda neile isegi spetsiifilisi elektrilisi omadusi.

        Toote parameetrid

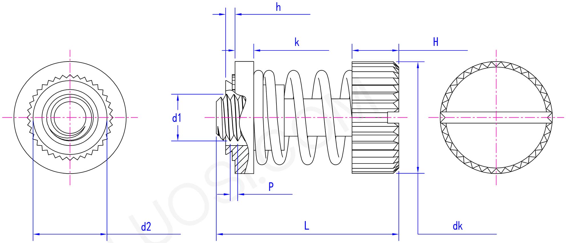
        Esmasp 440 632 832 032
        P 40 32 32 32
        d1 #4 #6 #8 #10
        d2 max 0.202 0.218 0.249 0.311
        dk max 0.416 0.448 0.478 0.54
        dk min 0.396 0.428 0.458 0.52
        h max 0.038 0.038 0.038 0.038
        k max

        0.128

        0.128 0.128 0.12
        k min0,118 0.118 0.118 0.118 0.11
        H max 0.207 0.207 0.212 0.225
        H min 0.197 0.197 0.202 0.215




        Suurus

        Vedruga kruvisid on erineva suurusega ja tüüpidega, et need sobiksid erinevate insenerivajadustega. Meetriliste keermete puhul on tavalised suurused peenkeermest M2 kuni M12 või suuremani. Keiserlikud suurused on vahemikus 4 kuni 1/2 tolli läbimõõduga. Pikkused muutuvad palju sõltuvalt sellest, kui sügavale nad rakenduses peavad minema.


        Oluliste andmete hulka kuuluvad keerme samm, pea stiil (nagu kuuskant, äärik, nupp või pesa kate), ajami tüüp (kuuskantpesa, Phillips, Torx®) ja sisseehitatud vedruosa kujundus (mõelge Belleville'i seibile, lainevedrule või kindlale keermekujule). Enamik järgib standardeid, nagu DIN, ISO või originaalseadmete tootjate nõuded.

        Spring Loaded Screw

        Kvaliteedistandardid ja tööstuse sertifikaadid

        K: Kas see vastab rahvusvahelistele kvaliteedistandarditele, nagu ISO või konkreetsed tööstuse sertifikaadid?

        V: Jah, me võtame tootmist tõsiselt. Meie vedruga kruvid on valmistatud järgima ISO standardeid, näiteks ISO 9001 kvaliteedikontrolli jaoks. Kui vajate tööstusharuspetsiifilisi sertifikaate, saame ka seda teha, näiteks IATF 16949 autotööstuse jaoks või AS9100 kosmosetööstuse jaoks. Saame iga partii kohta pakkuda materjali sertifitseerimisaruandeid (MTC) ja mõõtmete kontrolli. Nii saate jälgida, kust materjalid pärinevad, ja veenduda, et kõik vastab teie projekti spetsifikatsioonidele.


        Kuumad sildid: Vedruga kruvi, Hiina, tootja, tarnija, tehas
        Seotud kategooria
        Saada päring
        Palun esitage oma päring allolevas vormis. Vastame teile 24 tunni jooksul.
        X
        Kasutame küpsiseid, et pakkuda teile paremat sirvimiskogemust, analüüsida saidi liiklust ja isikupärastada sisu. Seda saiti kasutades nõustute meie küpsiste kasutamisega. Privaatsuspoliitika
        Keeldu Nõustu