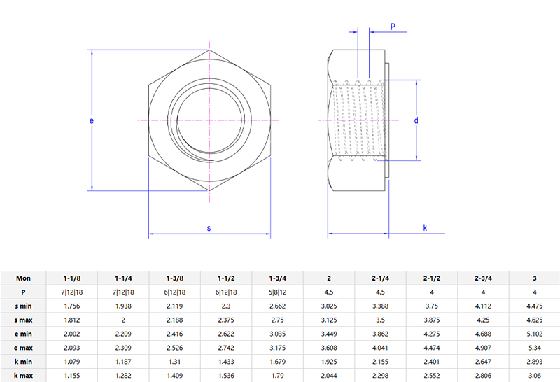
Raske hekslame pähkelrakendatakse masinates, ehituses või mis tahes tööstuses, mis nõuab tugevaid ja madala profiiliga kinnitusvahendeid. Erinevalt tavalistest kuusnurksetest mutritest on need paksemad ja võivad pindadele lamedaks kleepuda, muutes need suletud ruumide jaoks väga sobivaks.

ÜhtlaneRaske hekslame pähkelkulub. Kontrollige, kas mutter on pragude, rooste või ümardatud servad. Mis tahes kahju tähendab, et see tuleb asendada uuega. Kui mutter võib puhtalt poldil vabalt pöörata, näitab see, et niit on kulunud. Kõrged temperatuurid ja stress vähendavad aja jooksul pähkli tugevust. Ärge segage erinevate hinnete pähkleid: kui A-klassi mutr pannakse 8-klassilisele poldile, on tagajärjed kujuteldamatu.
Rasked hekslad pähklidMängige olulistes olukordades, kuhu ei saa paigaldada suuremahulisi pähkleid. Näiteks konveierilindid, autoraamid või piiratud ruumiga tööstuslikud seadmed. Nende lamedad pinnad vähendavad eendeid, alandades sellega kahjustamise või kahjustamise riski. Need on ka torustikusüsteemides väga levinud. Keegi ei taha pähkleid väljaulatuvaks ja moosimiseks. Professionaalne näpunäide: kasutageRaske hekslame pähkelkoos koormuse ühtlase jaotamiseks koos lameda pesuriga. Kui teie töö nõuab nii tugevaid kui ka kompaktseid pähkleid, sobib seda tüüpi mutter teile ideaalselt.
Turg
Tulu (eelmisel aastal)
Total Revenue (%)
Põhja -Ameerika
Konfidentsiaalne
15
Lõuna -Ameerika
Konfidentsiaalne10
25
Ida -Euroopa
Konfidentsiaalne
13
Kagu -Aasia
Konfidentsiaalne
5
Keskosa
Konfidentsiaalne
7
Ida -Aasia
Konfidentsiaalne
13
Lääne -Euroopa
Konfidentsiaalne
12
Kesk -Ameerika
Konfidentsiaalne
5
Lõuna -Aasia
Konfidentsiaalne
10
Siseturg
Konfidentsiaalne
5
InstallimiselRaske hekslame pähkel, kasutage selle pingutamiseks pöördemomendi mutrivõtit, kuni see vastab spetsifikatsioonidele. Liigne pingutus võib põhjustada niidi kulumist, samas kui ebapiisav pingutamine võib põhjustada niidi lõdvenemist. Pähklite pind on tasane, mis tähendab, et need on loputavad. Seetõttu kontrollige, kas need on joondatud. Kui pind pole sile, lisage kriimustuste vältimiseks tihend. Lisaks ärge kasutage võtmeliidetes vanu mutreid uuesti. Asendage need kahjustuste vältimiseks uutega.