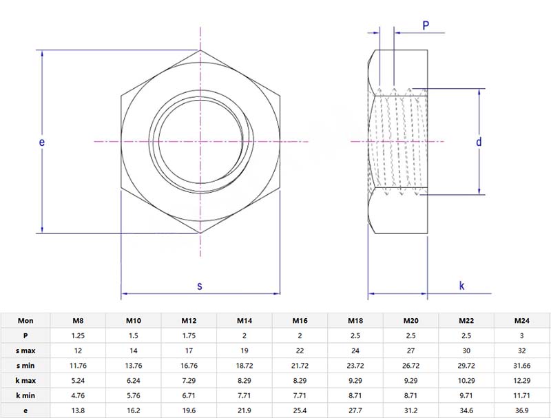
Üks faasitud kuuskant õhuke mutterühe külgribaga kaldjoon lihtsaks poltidega joondamiseks. See on paigaldatud kitsastesse kohtadesse ja selle faasitud disain vähendab keerme ristumise ohtu. Selle maht on väiksem kui standardmutri maht, nii et see hoiab komponendid kompaktsena.

MiksÜks faasitud kuuskant õhuke mutter? Faasitud serv - kaldosa ümber ava, mis muudab töötaja jaoks lihtsamaks väänatapähkel. Isegi kitsastes kohtades, kus käte või tööriistade jaoks pole palju ruumi, juhib faasimine mutri kiiremini poldi külge. Teil pole vaja seda iga kord vaevaliselt poldiga täiuslikult joondada; See libiseb sujuvamalt, võimaldades teil asju kiiresti teha.
Üks faasitud kuuskant õhuke muttererineb tavalistest pähklitest, kuna on õhuke ja ei võta liiga palju ruumi. Isegi kui läheduses pole sobivat mutrivõtme kinnitust, saate seda käsitsi või tangidega pingutada. Seetõttu kasutatakse seda sageli väikeste seadmete parandamiseks, jalgrattaosade reguleerimiseks või muu mööbli kokkupanemiseks.
Üks faasitud kuuskant õhuke mutterpaigaldatakse sageli elektroonikasse (trükkplaadid, andurid), autodesse (armatuurlauad) ja kodumasinatesse. Isetegija armastajatele meeldib seda paigaldada mudelikomplektile, 3D-printerile või remondimängule. Seda saab kasutada mis tahes rakenduses, mis nõuab õhukest ja täpset kinnitust.

Üks faasitud kuuskant õhuke mutterei sobi kasutamiseks rasketel seadmetel. Mehaaniliste seadmete puhul soovitame kasutada paksemaid mutreid. Kui niit on kinni jäänud, kasutage selle sisemuse puhastamiseks traatharjapähkel. Seda on lihtne kasutada, kuid väga tõhus!