Kodu > Tooted > Pähkel > Ruudumutter > 5. klassi keevisõmblusmutrid
        5. klassi keevisõmblusmutrid
        • 5. klassi keevisõmblusmutrid5. klassi keevisõmblusmutrid
        • 5. klassi keevisõmblusmutrid5. klassi keevisõmblusmutrid
        • 5. klassi keevisõmblusmutrid5. klassi keevisõmblusmutrid
        • 5. klassi keevisõmblusmutrid5. klassi keevisõmblusmutrid
        • 5. klassi keevisõmblusmutrid5. klassi keevisõmblusmutrid

        5. klassi keevisõmblusmutrid

        Tootja Xiaoguo® teenus tagab õigeaegsed rahvusvahelised saadetised, keskendudes 5. klassi keeviskandikule. Ruutmutrid on keermestatud kinnitusdetailid, mis on spetsiaalselt ette nähtud püsivaks kinnitamiseks metallpindadele keevitamise teel.
        Mudel:JIS B1196-2-2001

        Saada päring

        Tootekirjeldus

        Klassi 5 keeviskandilised mutrid on spetsiifilised kinnitusdetailid. Need on mõeldud püsivaks kinnitamiseks lehtmetalli või konstruktsiooniosade külge keevitamise teel. Neil on tasane, ruudukujuline alus nelja väikese eendiga – tavaliselt väikesed nööbid või pidev äärik serva ümber. Need mutrid pakuvad tugevat keermestatud kinnituspunkti, mis talub koormusi.

        Ruudukujuline kuju annab hea stabiilsuse ja takistab nende pöörlemist, kui panete asju kokku. Seetõttu töötavad need hästi automatiseeritud protsessides ja kasutustes, kus vajate suurt väljatõmbetugevust. Need on üsna olulised sellistes tööstusharudes nagu autotööstus, seadmete tootmine ja ehitus – kohtades, kus vajate usaldusväärseid fikseeritud kinnituspunkte õhukestest materjalidest.

        Toote üksikasjad

        Klassi 5 keevisnurkmutrite põhiülesanne on luua tugev sisekeermega ühenduspunkt pindadele, kus tavalise mutri paigaldamine lihtsalt ei tööta. Nende konstruktsioon muudab projektsioonkeevituse (teatud takistuskeevituse tüübi) kiire ja turvalise tegemise hõlpsalt otse tooriku pinnale.

        Kui need on peale keevitatud, saavad need koostu osaks. Tagumine külg on pinnaga ühtlane või peaaegu ühtlane. See sisseehitatud keerme võimaldab teil polte või kruvisid ikka ja jälle kinnitada ja lahti keerata ning see ei riku põhimaterjali keevisliidet.

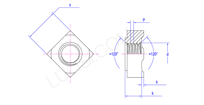
        Esmasp M4 M5 M6 M8 M10 M12
        P 0.7 0.8 1 1|1,25 1,25|1,5 1,25|1,75
        s max 8 9 10 12 14 17
        s min 7.64 8.64 9.64 11.57 13.57 16.57
        k max 3.2 4 5 6.5 8 10
        k min 2.9 3.7 4.7 6.14 7.64 9.57
        h max 1 1 1 1 1 1.2
        h min 0.8 0.8
        0.8
        0.8
        0.8
        1

        Class 5 Weld Square Nuts


        Suurepärane korrosioonivastane jõudlus

        Meie 5. klassi keeviskandilised mutrid on tavaliselt valmistatud madala/keskmise süsinikusisaldusega terasest (nagu 4., 5. või 8. klassi ekvivalendid), roostevabast terasest (AISI 304 või 316) ja mõnikord ka messingist. Süsinikterasest on sageli tsingitud - kas galvaniseeritud või mehaaniliselt -, et hoida neid roostetamise eest. Roostevabast terasest tooted on loomulikult korrosioonikindlad. See, milline materjal valite, mõjutab otseselt nende keevitamist ja nende jõudlust.



        Kuumad sildid: Klassi 5 keevitatud ruutmutrid, Hiina, tootja, tarnija, tehas
        Seotud kategooria
        Saada päring
        Palun esitage oma päring allolevas vormis. Vastame teile 24 tunni jooksul.
        X
        Kasutame küpsiseid, et pakkuda teile paremat sirvimiskogemust, analüüsida saidi liiklust ja isikupärastada sisu. Seda saiti kasutades nõustute meie küpsiste kasutamisega. Privaatsuspoliitika
        Keeldu Nõustu