jaokslukustuskrae poltkinnitusega, saate materjale valida vastavalt sellele, mida vajate. Süsinikterast (nagu SAE 1070/1095) kasutatakse siis, kui vajate raskete tööde jaoks tugevat materjali. Roostevaba teras (AISI 304/316) töötab hästi kohtades, kus asjad võivad roostetada või korrodeeruda. Titaanisulamid sobivad hästi kosmosesõidukite jaoks, kus nad vajavad seda kerget, kuid tugevat. Ekstreemsete temperatuuride jaoks on olemas ka spetsiaalsed asjad, nagu Inconel®, kas väga kuuma või väga külmaga.
Nad katsetavad iga materjali hoolikalt, et veenduda, kas see vastu peab – kontrollides, kui palju see võib purunemata venida (kuni 1500 MPa) ja kui suure kulumisega see aja jooksul vastu peab. Erinevate materjalide tõttu saab see kinnitusrõngas töötada paljudes erinevates keskkondades, alates ülikülmadest kohtadest kuni kõrge kuumusega tehasteni.
Hoolitsedeslukustuskrae poltkinnitusegatähendab regulaarset poltide tiheduse, pinna kulumise või rooste kontrollimist. Hoolduse ajal pingutage poldid tootja soovitatud pöördemomendiga (tavaliselt 20-50 Nm). Kasutage prahi mahapühkimiseks õrnaid puhastusvahendeid ja määrige keermetele haardevastast määret, et neid oleks hiljem lihtsam lahti võtta. Kui näete pragusid või rõngas on valesti vormitud, vahetage see välja. Hoidke rõngaid kontrollitud temperatuuriga kuivas kohas, et vältida nende kahjustamist enne paigaldamist. Selle rutiiniga sammu pidamine aitab neil kõige paremini töötada ja võib pikendada nende kasutusiga kuni 30%.

K: Kuidas määrata a õiget suurustlukustuskrae poltkinnitusegaminu võlli läbimõõdu jaoks?
V: Õige valiminelukustuskrae poltkinnitusegasõltub teie võlli paksusest (OD) ja keerme tüübist. Alustage võlli paksuse mõõtmisega ja võrrelge seda tootja suuruse juhistega. Peamised tähelepanekud: krae sisemine suurus peab vastama võlli keermetele, poldi suurusele ja krae paksusele. Kui teie võll pole keermestatud, peate esmalt keermed lisama. Kontrollige alati veelkord, kas niidid on meetermõõdustikus või imperialiseeritud – nende segamine põhjustab peavalu. Paaritu suurusega võllide jaoks on olemas kohandatud kaelarihmad, kuid need võtavad lisaaega ja raha.
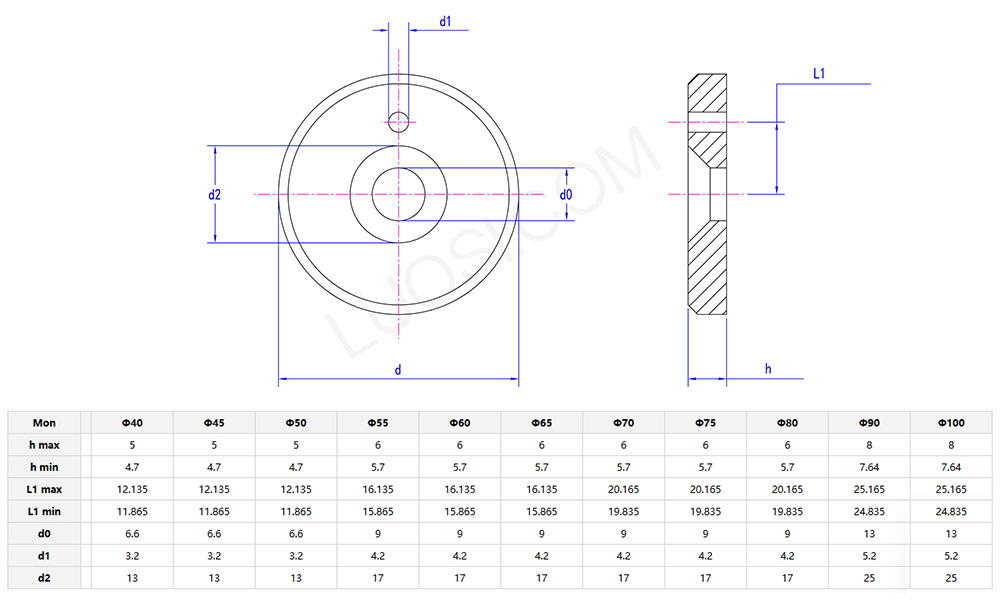
Meie poltkinnitusega lukustuskraed on peamiselt valmistatud süsinikterasest. Valime selle materjali, kuna sellel on hea sitkus ja kulumiskindlus, mis vastab toote põhilistele kasutusvajadustele.
Enne toodete tehasest väljumist katame nende pinnad roostevastase kihiga. See töötlus hoiab kaelarihmade roostetamise eest, kui neid kasutatakse niiskes keskkonnas või hoitakse pikka aega.
Meil on ka valikulised materjalid, nagu roostevaba teras, klientidele, kes vajavad paremat korrosioonikindlust. Toote materjali paksus on projekteeritud lähtudes standardsetest kandevõimenõuetest, nii et see ei deformeeru ega purune tavakasutuse käigus.
Poldiosa on valmistatud samast materjalist kui krae, nii et kogu tootel on ühtlane jõudlus ja stabiilsus.
Meie poltkinnitusega lukustuskraede saatekulu sõltub sellest, kuhu te need saadate, millise saatmisviisi valite ja kui palju tellite.
Kui kasutate tavalist logistikat, on hind madalam, kuid kohaletoimetamine võtab veidi kauem aega - tavaliselt 3–7 tööpäeva. Kiirtellimuste puhul saate valida kiirtarne, kuid see maksab rohkem. Täpne lisatasu sõltub sellest, kui kaugele saadetis peab minema.
Kui teie tellimus jõuab teatud koguseni, katame teie eest saatmiskulud. Iga toode on väike ja kerge, nii et isegi väikese partii tellimuste puhul ei kaasne ülikõrgeid saatmistasusid.
Enne millegi väljasaatmist pakendame kaelarihmad korralikult, et vältida kahjustusi transpordi ajal. Ja see pakendamiskulu sisaldub juba saatmistasus – te ei pea selle eest lisatasu maksma.
Kui soovite teada täpset saatmiskulu, küsige lihtsalt meie klienditeeninduse meeskonnalt. Nad arvutavad selle teie konkreetse tellimuse üksikasjade põhjal.
K: Mis on teie poldi kinnitusega lukustuskrae MOQ ja teostusaeg ning kas pakute hulgitellimuste allahindlusi?
V: Minimaalne tellimiskogus (MOQ) standardse poltkinnitusega lukustuskrae jaoks on 300 tükki, tavatellimuste puhul on tarneaeg 7–10 tööpäeva. Hulgitellimuste puhul, mis on üle 5000 tüki, pakume teie hankekulude vähendamiseks astmelisi allahindlusi (3–10%). Poltkinnitusega kohandatud lukustuskrae MOQ on 500 tükki ja teostusaeg 12–18 tööpäeva, sealhulgas proovide valideerimine ja tootmise ajakava.