Need ÜRO neetitud PCB-plaadi naastud on tavaliselt valmistatud headest terassulamitest, nagu madala süsinikusisaldusega või roostevaba teras või alumiinium. Neil on tugev mehaaniline tugevus ja need peavad aja jooksul hästi vastu.
Terasest on kõige suurem tõmbe- ja nihketugevus. Alumiiniumist seevastu juhivad kenasti elektrit ja on kerged.
Nende naastude jaoks valitud metall tähendab, et need taluvad suuri mehaanilisi koormusi, kütte- ja jahutustsüklitest tulenevaid pingeid ning püsivad tugevana kogu toote kasutusaja.
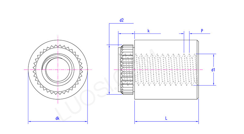
ÜRO neetitud tihvt PCB-plaadile on püsiv ja ülitugev kinnitus, mida kasutatakse trükkplaatide (PCB) usaldusväärse väliskeermega kinnituspunkti tagamiseks. Siin tähistab "UN" tavaliselt "ühtset riiklikku standardit", viidates sellel olevale standardiseeritud kruvikeerme tüübile (nt UNC või UNF), mis tagab selle ühilduvuse erinevate standardsete mutritega.
Paigaldusprotsess on kiire ja tõhus. Sisestage naast PCB plaadile eelnevalt puuritud auku. Seejärel kasutage naastu lameda otsa deformeerimiseks spetsiaalset neetimistööriista, mille tulemusena see laieneb väljapoole ja haardub kindlalt needipea ja naastu õla või ääriku vahel, moodustades nii tugeva ja vibratsioonikindla ühenduse, ilma et oleks vaja keevitada.
See meetod sobib eriti hästi stsenaariumide jaoks, mis nõuavad suurt mehaanilist pinget, peavad läbima mitu pistikoperatsiooni või kus keevitamisel tekkiv soojus võib tundlikke komponente kahjustada.
Need ÜRO neetitud trükkplaadi naastud on paigaldatud külmvormimis- või neetimismeetodil.
Pistate naastu läbi PCB-sse eelnevalt puuritud augu. Seejärel painutab spetsiaalne neetimistööriist naastu varre vastu laua all olevat matriitsi, luues püsiva laieneva luku, mis hoiab seda paigal.
Külmtöötlusmeetod tekitab vähem soojust ja ei kahjusta PCB laminaati ega vooluringe. Õigesti paigaldatud naastud tagavad tugeva ja vibratsioonikindla kinnituse ilma trükkplaadi struktuuri kahjustamata.

| Turg | Tulu (eelmine aasta) | Kogutulu (%) |
| Põhja-Ameerika | Konfidentsiaalne | 20 |
| Lõuna-Ameerika | Konfidentsiaalne | 4 |
| Ida-Euroopa | Konfidentsiaalne | 24 |
| Kagu-Aasia | Konfidentsiaalne | 2 |
| Aafrika | Konfidentsiaalne | 2 |
| Okeaania | Konfidentsiaalne | 1 |
| Kesk-Ida | Konfidentsiaalne | 4 |
| Ida-Aasia | Konfidentsiaalne | 13 |
| Lääne-Euroopa | Konfidentsiaalne | 18 |
| Kesk-Ameerika | Konfidentsiaalne | 6 |
| Põhja-Euroopa | Konfidentsiaalne | 2 |
| Lõuna-Euroopa | Konfidentsiaalne | 1 |
| Lõuna-Aasia | Konfidentsiaalne | 4 |
| Siseturg | Konfidentsiaalne | 5 |