Kodu > Tooted > Sulgemisrõngas > Jäik kinnitusrõngas > Polt kinnitatud võlli kaelarihm
      Polt kinnitatud võlli kaelarihm
      • Polt kinnitatud võlli kaelarihmPolt kinnitatud võlli kaelarihm
      • Polt kinnitatud võlli kaelarihmPolt kinnitatud võlli kaelarihm

      Polt kinnitatud võlli kaelarihm

      Poldi kinnitatud võlli kaelarihm tagab usaldusväärse koormuse jaotuse ja hoiab ära tahtmatu külgmise liikumise kõrge pöörde tööstusrakendustes. XiaoGuo® on spetsialiseerunud kinnitusdetailide tootmisele ja müümisele ning on võitnud iga -aastase kvaliteediauditi nulldefektide tootja ja tarnijana.
      Mudel:GB/T 885-1986

      Saada päring

      Tootekirjeldus

      Sellepolt kinnitatud võlli kaelarihmKasutab regulaarset sulamist terast või roostevabast terasest. Need materjalid muudavad selle surve all hästi vastu ja vältima roostetamist. Nad ravivad pinda kuumutama, et seda karastada-löövad umbes 45-50 tundi kõvadust (nii et see ei vääna, kui te kõvasti surute). Roostevabast terasest tüübid käsitlevad räpaseid tingimusi paremini, nagu kemikaalide või niiskusega kohad, kuna need roostetavad vähem. Metall tegeleb ka korduva stressiga, ilma et see kiiresti välja kulub. Kuna see on nii jäik kui ka kergelt painutatud, leiate need kaelarihmad statsionaarsetes käikudes, liikuvatest osadest ja isegi asjadest, mis töötavad äärmuslikes kuumades või külmades temperatuurides.


      Toote üksikasjad ja parameetrid

      Polt kinnitatud võlli kaelarihmkasutatakse laialdaselt autotööstuses käigukastides, tööstuspumpades, konveieririhmaseadmetes ja liikuvate kosmoseosade osades. Võlli osade kinnituseks saab see tõhusalt lukustada osi, nagu rihmarattad, ketid ja võlli sidumised, et vältida aksiaalset libisemist töö ajal. Eriti sellistes seadmetes nagu mootorid ja turbiinid, on selle vibratsioonivastane konstruktsioonielamul suur tähtsus ja see võib tagada seadmete stabiilse töö.


      Rõngad on väga kasulikud ka põllumajandusmasinate, robootika ja taastuvenergia seadmetes, näiteks tuuleturbiinid. Kiire pöörlemistingimustes võib see tagada komponentide ohutuse usaldusväärse kinnitus jõudluse kaudu. Seetõttu on tööstusharudes, kus on eriti kõrged täpsuse ja töökindluse nõuded, poltide kaelarihmad muutunud hädavajalikuks põhiosaks.

      Bolt fastened shaft collar

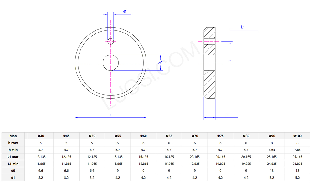
      Bolt fastened shaft collar parameters

      Kui teil on selline küsimus


      K: Mis materjalid onpolt kinnitatud võlli kaelarihmTavaliselt valmistatud ja kuidas need mõjutavad vastupidavust?

      V:Polt kinnitatud võlli kaelarihmon tavaliselt valmistatud süsinikterasest, roostevabast terasest või sulami terasest. Süsinikterase odavam ja töötab enamiku tehasevarustuse jaoks hästi, samas kui roostevabast terasest on rooste parem - hea niisketele aladele või kemikaalidega kohtadele (nagu paadid või keemiataimed). Sulami terasest saavad tugeva kulumise ja kauem kestmiseks kuumtöötlemise. Mis materjali valite, otsustab krae eluea, kui palju koormust see võib võtta ja kus see töötab. Lihtsalt öelge neile, kus te seda kasutate - näiteks kui see läheb kuumaks, märjaks või kannab raskeid koormusi -, nii et need sobiksid materjaliga õigesti.



      Kuumad sildid: Polt kinnitatud võlli kaelarihm, Hiina, tootja, tarnija, tehas
      Seotud kategooria
      Saada päring
      Palun esitage oma päring allolevas vormis. Vastame teile 24 tunni jooksul.
      X
      We use cookies to offer you a better browsing experience, analyze site traffic and personalize content. By using this site, you agree to our use of cookies. Privacy Policy
      Reject Accept