Kodu > Tooted > Keevitusmutrid > Keevituskruvi > Meetrilise keermega keevituskruvi
        Meetrilise keermega keevituskruvi
        • Meetrilise keermega keevituskruviMeetrilise keermega keevituskruvi
        • Meetrilise keermega keevituskruviMeetrilise keermega keevituskruvi
        • Meetrilise keermega keevituskruviMeetrilise keermega keevituskruvi

        Meetrilise keermega keevituskruvi

        Metallpinna külge keevitamiseks kasutatakse meeterkeermega keeviskruvi ja seejärel muude komponentide ühendamiseks meeterkeerme. Xiaoguo® ettevõttel on laos piisav kaubavaru. Need sobivad metallide tootmiseks, autopaneelide või tööstuslike raamide jaoks.
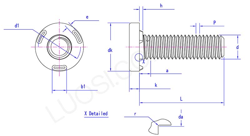
        Mudel:DIN 34817-2001

        Saada päring

        Tootekirjeldus

        Esmasp
        M5 M6 M8 M10 M12 M14
        P
        0.8 1 1.25 1.5 1.5 1.5
        a max
        2.4 2.8 3.7 4.4 4.6 4.6
        dk max
        10 12 16 20 24 28
        dk min
        9.64 11.57 15.57 19.48 23.48 27.48
        d1 min
        7.85 9.75 13.25 17.15 21.15 25.20
        d1 max
        8.21 10.11 13.68 17.58 21.67 25.72
        h max
        0.8 0.8 1.2 1.4 1.6 1.6
        h min
        0.7 0.7 1.1 1.3 1.5 1.5
        k max
        2.2 2.7 3.2 4.2 5 5.8
        k min
        1.8 2.3 2.8 3.8 4.6 5.4
        r min
        0.1 0.15 0.15 0.15 0.15 0.2
        e max
        1.7 1.7 2.2 2.2 2.2 2.7
        e min
        1.3 1.3 1.8 1.8 1.8 2.3
        b1 max
        3.9 4.4 5.9 7.9 9.4 11.5
        b1 min
        3.1 3.6 5.1 7.1 8.6 10.5
        da max
        5.3 6.4 8.4 10.5 13 15

        Meetrilise keermega keeviskruvi kinnitatakse tooriku külge keevitamise teel. Seda tüüpi kruvisid on nii peaga kui ka ilma peaga. Keerme järgi saab selle edasi liigitada väliskeermega keevitatud kruvideks ja sisekeermega keevitatud kruvideks. Spetsifikatsioonid on üldiselt vahemikus M5 kuni M14.

        Weld screw with metric thread parameter

        Võib kasutada sisse

        Väljalaskekonsoolide parandamiseks kasutatakse meeterkeermega keeviskruvisid. Kuipoltväljalaskeklambri augud on kulunud, neid saab neid kasutades parandada. Puhastage raami punktkeevituskohad, paigaldage kruvid ja teostage punktkeevitus läbi seibide aukude. Pingutage kronstein poltidega. See võtab vaid 3 minutit ja pole vaja uuesti puurida ega koputada. See talub tee vibratsiooni ilma lõdvenemata.

        Konveieri sulgude uuendamiseks kasutatakse meeterkeermega keeviskruvi. Kui teil on vaja olemasolevale konveierile andureid lisada, kasutage neid sulgude kiireks paigaldamiseks. Keevitage M8 kruvid vajalike raami juhtsiinide külge. Võtmestruktuuridesse pole vaja auke puurida. Anduri kronstein kinnitatakse poltidega otse uue keerme külge. See säästab renoveerimise ja paigalduse käigus juhtmestiku paigaldamiseks kuluvat aega.

        Keeviskruvisid kasutatakse hüdrotorustiku paigaldamiseks. Kui on vaja hüdraulikavooliku klambrit seadme külge kinnitada, võib nende kasutamine vältida värisemist. Keevitage M6 kruvid piki raami iga 18 tolli järel. Kinnitusklamber kinnitatakse poltidega otse kruvi külge. Need taluvad pidevat vibratsiooni paremini kui plekkkruvid. Vältige vooliku hõõrdumise tõttu kulumist.

        Toote omadused

        Meetrilise keermega keeviskruvi omadus seisneb keevituskinnitusmeetodi kasutamises. Võrreldes tavalise mehaanilise ühendusega võib keevitamine muuta kruvid ja alusmaterjal tihedamaks, peaaegu integreerituks. Meetriliste keermete konstruktsiooni saab mugavalt sobitada mutrite või sisekeermega komponentidega, hõlbustades edaspidi teiste osade paigaldamist. Lisaks vastab keermete mõõtmete täpsus meetermõõdustiku standarditele, muutes selle väga mitmekülgseks.

        Kuumad sildid: Meetrilise keermega keeviskruvi, Hiina, tootja, tarnija, tehas
        Seotud kategooria
        Saada päring
        Palun esitage oma päring allolevas vormis. Vastame teile 24 tunni jooksul.
        X
        Kasutame küpsiseid, et pakkuda teile paremat sirvimiskogemust, analüüsida saidi liiklust ja isikupärastada sisu. Seda saiti kasutades nõustute meie küpsiste kasutamisega. Privaatsuspoliitika
        Keeldu Nõustu