Kodu > Tooted > Pähkel > Kuuskantääriku mutter > Kuumeäärsed pähklid
      Kuumeäärsed pähklid
      • Kuumeäärsed pähklidKuumeäärsed pähklid
      • Kuumeäärsed pähklidKuumeäärsed pähklid

      Kuumeäärsed pähklid

      Kuumekühti pähklid on tavalised kuusnurksed pähklid. Kuusnurkne kuju on pingutamiseks mugav. Pähkli ühes otsas on ääriku pind, mis on stabiilsem. Xiaoguo® tehasel on alati varud, mis on igal ajal saadaval ja see toetab kohandamist.
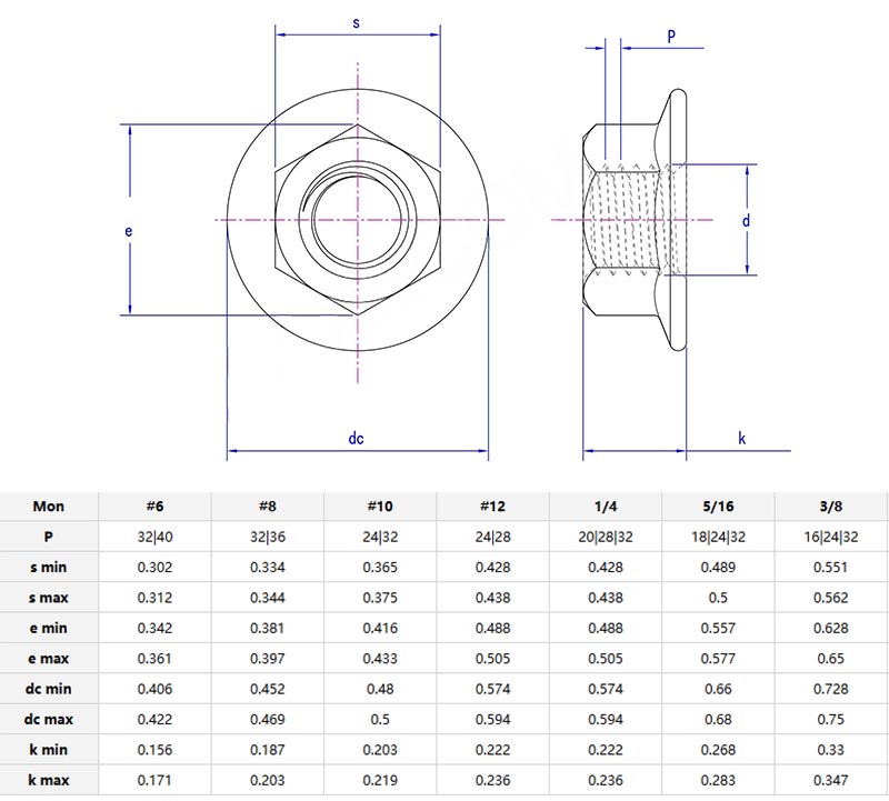
      Mudel:ASME/ANSI B18.2.2-12-2015

      Saada päring

      Tootekirjeldus

      Lai alusKuumekühti pähklidJagage koormus ühtlaselt ja vähendab pinnakahjustusi. Kuumekuju sobib standardsete tööriistade ja selliste materjalidega nagu galvaniseeritud terasest võitlus rooste. Mõnel versioonil on hambatud äärikud, et siledatel pindadel täiendavat haardumist saada. Aja ja osade säästmine.

      hex flange nut

      Toote üksikasjad ja parameetrid

      Kuumekühti pähklidon kuuepoolsed pähklid, mille allosas on sisseehitatud äärik (lai, lame serv). Äärik toimib nagu tihend, kuna see kaitseb pinda, levitades rõhku, vähendades samal ajal vibratsiooni põhjustatud lõtvust. See on valmistatud terasest, roostevabast terasest või kaetud sulamitest ja seda kasutatakse masinates, sõidukites või välistingimustes, kus poldid seisavad silmitsi vibreeriva või ebaühtlase pinnaga. Kliendid ei pea kasutama eraldi tihendeid.

      Kuumekühti pähklidon levinud autotööstuses (rattakeskused, mootorisulgud), konstruktsiooni (terasest talad, tellingud) ja põllumajanduse (traktori kinnitused). Tehased kasutavad neid konveierilintidel, samal ajal kui DIYERS loodavad neile haagiste, jalgrataste või garaažiriiulide jaoks. Kõikjal, kus vibratsioon või ilm polte ähvardab, astuvad need pähklid üles.

      Kuumekühti pähklidon vähese hooldusega. Kontrollige aja jooksul rooste või painutatud äärikuid. Valige soolase või märja keskkonna jaoks roostevabast terasest. Kasutage neid uuesti, kui niidid on puhtad, kuid asendage, kui äärik praguneb. Vältige üle pingutamist, mis võib pehmemaid materjale väänata.

      hex flange nut parameter


      Miks nad peksid tavalisi pähkleid

      Kuumekühti pähklidLahendage kaks probleemi: lõdvenemine ja pinnakahjustus. Eraldi pesurit pole ja äärik lisab stabiilsust. Need on pisut kallimad kui tavalised pähklid, kuid võivad pikas perspektiivis aega ja raha kokku hoida.


      Kuumad sildid: Hex ääriku pähklid, Hiina, tootja, tarnija, tehas
      Seotud kategooria
      Saada päring
      Palun esitage oma päring allolevas vormis. Vastame teile 24 tunni jooksul.
      X
      We use cookies to offer you a better browsing experience, analyze site traffic and personalize content. By using this site, you agree to our use of cookies. Privacy Policy
      Reject Accept