Kodu > Tooted > Pähkel > Ümmargune pähkel > Täielikult keermestatud piludega ümarmutrid
        Täielikult keermestatud piludega ümarmutrid
        • Täielikult keermestatud piludega ümarmutridTäielikult keermestatud piludega ümarmutrid
        • Täielikult keermestatud piludega ümarmutridTäielikult keermestatud piludega ümarmutrid

        Täielikult keermestatud piludega ümarmutrid

        Täiskeermega piludega ümmargused mutrid on konstrueeritud nii, et nende välisservas on sälgud, mida saab kasutada koos tihvtidega. Tänapäeval ostavad paljud kliendid neid tooteid Hiinast XIAOGUO, kuna need on kulutõhusad ning neil on stabiilne ja usaldusväärne tarne.

        Saada päring

        Tootekirjeldus

        Toote kasutusjuhised

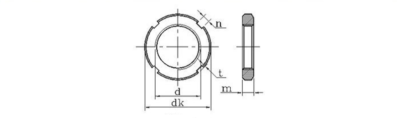
        Täielikult keermestatud piludega ümarmutrid – need on määratletud vastavalt standarditele nagu DIN 546 ja neid kasutatakse peamiselt kindla kinnitusühenduse saavutamiseks ning need taluvad vibratsiooni. Nende mutrite peamine omadus seisneb mutri ühes otsas lõigatud piludes. Kasutage neid järgmiselt. Kõigepealt keerake mutter eelnevalt puuritud poldi või naastu külge ja pingutage see soovitud asendisse. Pärast pingutamist joondage pilu poldi võllil oleva auguga. Lõpuks sisestage avatud tihvt (lukustusseib) või turvaliin läbi joondatud pilu ja poldiaugu ning seejärel painutage tihvti otsad, et tagada kindel sobivus. Seega vibratsiooni korral mutter ei lõdvene.

        Toote pakend

        Tuginedes meie uurimistulemustele, pakume valikut täiskeermega piludega ümarmutreid, mis sobivad väga hästi tööstuslikeks rakendusteks. Nende kottidesse või kastidesse pakkimine on levinud ja praktiline meetod. Iga kott sisaldab tavaliselt teatud arvu pähkleid, näiteks 100 pähkleid koti kohta. See kottis vorm on mugav transportimiseks, varude loendamiseks ja töökojas või koosteliinil jaotamiseks. Pakend on tavaliselt läbipaistev või etikettidega, mis võimaldavad kiiresti tuvastada pähklite tüübi ja suuruse. Kui olete tootja või suurostja, saame pakkuda ka suuremas koguses papppakendeid või kohandada pakendit vastavalt teie vajadustele. See aitab vähendada kulusid ja muuta teie projekti tarneahel sujuvamaks.

        Küsimuste ja vastuste seanss

        Millistest materjalidest on teie täiskeermega piludega ümarmutrid tavaliselt valmistatud?

        V: Tavaliselt valmistame oma mutrid üldiseks kasutamiseks mõeldud süsinikterasest. Meil on ka roostevabast terasest valikud (klassid 304 ja 316), kui vajate midagi roostekindlat, ja messingist mittemagnetiliste rakenduste jaoks. Valige lihtsalt pähklite materjal vastavalt teie keskkonnale ja mehaanilistele vajadustele.

        Fully Threaded Slotted Round Nuts


        ühik: mm
        d*P dk m n t Kvaliteet 1000 terastoote kohta≈kz d*P dk m n t Kvaliteet 1000 terastoote kohta≈kg
        max min max min max min max min
        M10*1 22 8 4.3 4 2.6 2 16.82 M64*2 95 12 8.36 8 4.25 3.5 351.9
        M12*1,25 25 21.58 M65*2 95 342.4
        M14*1,5 28 26.82 M68*2 100 10.36 10 4.75 4 380.2
        M16*1,5 30 5.3 5 3.1 2.5 28.44 M72*2 105 15 518
        M18*1,5 32 31.19 M75*2 105 477.5
        M20*1,5 35 37.31 M76*2 110 562.4
        M22*1,5 38 10 54.91 M80*2 115 608.4
        M24*1,5 42 68.88 M85*2 120 640.6
        M25*1,5 42 68.88 M90*2 125 18 12.43 12 5.75 5 796.1
        M27*1,5 45 75.49 M95*2 130 834.7
        M30*1,5 48 82.11 M100*2 135 873.3
        M33*1,5 52 6.3 6 3.6 3 93.32 M105*2 140 895
        M35*1,5 52 84.99 M110*2 150 14.43 14 6.75 6 1076
        M36*1,5 55 100.3 M115*2 155 22 1369
        M39*1,5 58 107.3 M120*2 160 1423
        M40*1,5 58 109.5 M125*2 165 1477
        M42*1,5 62 121.8 M130*2 170 1531
        M45*1,5 68 153.6 M140*2 180 26 1937
        M48*1,5 72 12 8.36 8 4.25 3.5 201.2 M150*2 200 16.43 16 7.9 7 2651
        M50*1,5 72 186.8 M160*3 210 2810
        M52*1,5 78 238 M170*3 220 2970
        M55*2 78 214.4 M180*3 230 30 3610
        M56*2 85 290.1 M190*3 240 3794
        M60*2 90 320.3 M200*3 250 3978





        Kuumad sildid: Täiskeermega piludega ümarmutrid, Hiina, tootja, tarnija, tehas
        Seotud kategooria
        Saada päring
        Palun esitage oma päring allolevas vormis. Vastame teile 24 tunni jooksul.
        X
        Kasutame küpsiseid, et pakkuda teile paremat sirvimiskogemust, analüüsida saidi liiklust ja isikupärastada sisu. Seda saiti kasutades nõustute meie küpsiste kasutamisega. Privaatsuspoliitika
        Keeldu Nõustu