Kodu > Tooted > Pähkel > Ümmargune pähkel > Piluga ümmargune mutter
        Piluga ümmargune mutter
        • Piluga ümmargune mutterPiluga ümmargune mutter
        • Piluga ümmargune mutterPiluga ümmargune mutter

        Piluga ümmargune mutter

        Hiinas valmistatud piluga Xiaoguo® ümarmutter vastab riiklikele standarditele GB812, Saksa standardile DIN 981 ja rahvusvahelisele standardile ISO 7718. Seetõttu on toote suurus ja keerme täpsus rangelt reguleeritud ja jälgitav. Piluga ümmargune mutter Tasuta proov Pakume teile selle näidise koostöö varajases staadiumis.

        Saada päring

        Tootekirjeldus

        Kohandamise protsess

        Tavaline kohandamisprotsess mittestandardse piluga ümmarguse mutri jaoks on:

        (1) Nõudlusest teavitamine: määratlege selgelt nõuded toote funktsioonidele, mõõtmetele, materjalidele jne.

        (2) Joonise kinnitus: esitage 2D/3D joonised ja võtke ühendust inseneridega, et kinnitada mõõtmed ja tolerantsid.

        (3) Näidiste tootmine: proovide valmistamiseks valmistatakse vorm ning pärast katsete ja kontrolli läbimist antakse klientidele fotod ja videod.

        (4) Masstootmine: kui klient on kinnitanud, et proov on kvalifitseeritud, algab masstootmise etapp.

        (5) Kvaliteedikontroll tarnimisel: enne saatmist viiakse läbi põhjalik kontroll ja koos kaubaga esitatakse kvaliteediaruanded.

        Round Nut with Slot

        Kohandatavad peamised aspektid

        Mittestandardne piluga ümmarguse mutri kohandamisteenus on väga küps. Peaaegu kõiki võtmeparameetreid saab vastavalt tegelikule kasutusviisile paindlikult reguleerida.

        (1) Mõõtmed ja spetsifikatsioonid:

        Täissuuruses reguleerimine: välisläbimõõtu, siseläbimõõtu ja paksust (kõrgust) saab kohandada.

        Spetsiaalne kohandamine: saab pakkuda kohandatud versioone, nagu piklikud, astmelised, pimeda auguga tüübid jne.

        (2) Keerme parameetrid:

        Erinevad keermestandardid: lisaks tavaliselt kasutatavatele peenkeermetele toetab see ka metrilisi jämedaid niite, Ameerika standardkeere ja Briti standardkeere jne.

        Spetsiaalne keermetüüp: niite saab kohandada vastavalt nõuetele.


        (3) Materjali valik:

        Metallmaterjalid: süsinikteras, legeerteras, roostevaba teras, messing, alumiiniumisulam, titaanisulam jne.

        Mittemetallist materjalid: teatud erirakenduste jaoks võib kasutada nailonit ja PEEK-i.

        (4) Mehaanilised omadused:

        Tugevusaste: piluga ümmarguse mutri kohandatavad valikud hõlmavad klassi 4,8, 8,8, 10,9 ja 12,9, mis on loodud vastama erinevatele jõudlusnõuetele.

        Mehaanilised indikaatorid: saab kohandada vastavalt tegelikele nõuetele.

        (5) Pinnatöötlus:

        Sealhulgas sellised protsessid nagu galvaniseerimine, mustamine, daktroniga katmine ja nikeldamine.

        (6) Pilu tüüpi kujundus:

        Vastavalt lõdvenemisvastastele või paigaldusnõuetele saab projekteerida erineva arvu, laiuse, sügavusega või erikujulisi pilusid.

        (7) Mittestandardsed standardid: toetage mittestandardsete versioonide teisendamist erinevatele standardsüsteemidele, nagu riiklikud standardid (GB), Saksa standardid (DIN), Ameerika standardid (ANSI) ja Jaapani standardid (JIS).

        Round Nut with Slot

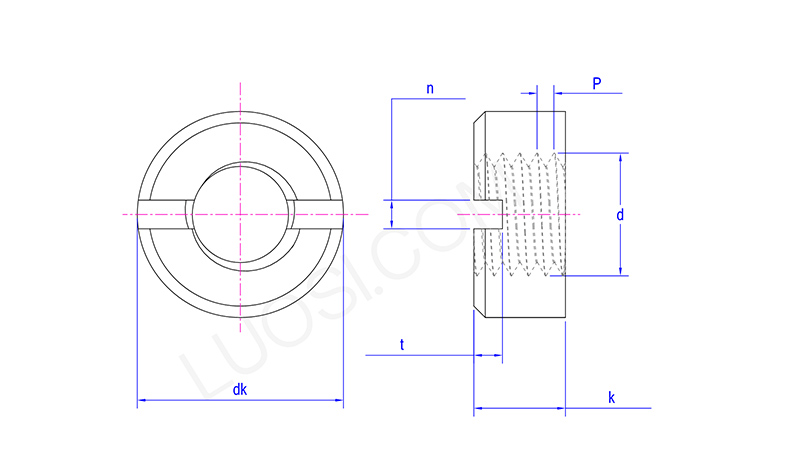
        Esmasp M3.5 M4 M5 M6 M8 M10 M12 M14 M16 M18 M20
        P 0.6 0.7 0.8 1 1.25 1.5 1.75 2 2 2.5 2.5
        dk max 7 8 9 11 14 18 21 24 26 29 32
        dk min 6.64 7.64 8.64 10.57 13.57 17.57 20.48 23.48 25.48 28.48 31.38
        k max 3 3.5 4.2 5 6.5 8 10 11 12 13 14
        k min 2.75 3.2 3.9 4.7 6.14 7.64 9.64 10.57 11.57 12.57 13.57
        n min 1.46 1.46 2.06 2.56 3.06 3.57 4.07 4.07 4.07 4.07 5.07
        n max 1.71 1.71 2.31 2.81 3.31 3.87 4.37 4.37 4.37 4.37 5.37
        t min 1 1.2 15 2 2.5 3.2 3.8 3.8 3.8 4.8 4.8
        t max 1.40 1.60 1.90 2.4 3 3.7 4.3 4.3 4.3 5.5 5.5
        Kuumad sildid: Piluga ümmargune mutter, Hiina, tootja, tarnija, tehas
        Seotud kategooria
        Saada päring
        Palun esitage oma päring allolevas vormis. Vastame teile 24 tunni jooksul.
        X
        Kasutame küpsiseid, et pakkuda teile paremat sirvimiskogemust, analüüsida saidi liiklust ja isikupärastada sisu. Seda saiti kasutades nõustute meie küpsiste kasutamisega. Privaatsuspoliitika
        Keeldu Nõustu